网站首页  词典首页


请输入您要查询的字词:

 

字词 旋耕机的机型、技术规格和一般构造
类别 中英文字词句释义及详细解析
释义

旋耕机的机型、技术规格和一般构造


(一)旋耕机的机型

目前,系列旋耕机按耕幅不同分为100mm、125mm、150mm、175mm、200mm和225mm六级14种型号,加上其变型产品共计有21种型号,分别与14.7~58.8kW的拖拉机配套。另外还有与手扶拖拉机配套的旋耕机。其技术规格参见表5-4与表5-5。旋耕机与拖拉机的连接方式有三点悬挂和直接连接两种,绝大部分机型都采用三点悬挂。直接连接式旋耕机一般用于14.7kW的轮式拖拉机和手扶拖拉机上。

表5-4 系列旋耕机及其变型的主要技术规格

注:型号代号含义:1——耕耘整地机械,G——旋耕机,L——链条传动,Z——直接传动,N——中间传动,三位数——耕幅(cm),A(或B)——变型。

表5-5 手扶拖拉机配套旋耕机主要技术规格

(二)旋耕机的一般构造

旋耕机主要是由机架、传动系统、旋转刀轴、刀片、耕深调节装置、罩壳等组成(图5-8)。

图5-8 1GL-150型旋耕机

1.刀轴 2.刀片 3.右支臂 4.右主梁 5.悬挂架 6.齿轮箱 7.罩壳 8.左主梁 9.传动箱 10.防磨板 11.撑杆

1.刀轴和刀片 刀轴由无缝钢管制成。轴的两端焊有轴头,用来和左右支臂销连接。刀轴上焊有刀座(图5-9a)或刀盘(图5-9b)。刀座按螺旋线排列焊在刀轴上,以供安装刀片。刀盘上沿外周有间距相等的孔位,便于根据农业技术要求安装刀片。

图5-9 刀轴

a.刀座式 b.刀盘式

1.刀片 2.刀盘 3.刀轴 4.刀座

2.机架 卧式旋耕机机架呈矩形,由前梁(左右主梁)、左右支臂及作为刀轴的后梁所组成。前梁为铸造圆管,中间有齿轮箱,两侧为支臂,其中一侧装有传动箱。

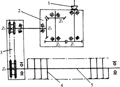
3.传动部分 由拖拉机动力输出轴传来的动力经万向节传给中间齿轮箱,再经侧边传动箱驱动刀轴回转(图5-10)。

图5-10 旋耕机侧边链传动示意图

1.万向节 2.中间传动箱 3.侧边传动箱 4.刀片 5.刀轴

中间齿轮箱内的一对圆柱齿轮Z1与Z2可以变换安装或根据农艺要求选择另外一对圆柱齿轮,以改变转速。旋耕机刀轴转速一般为198~ 275r/min。

中间传动箱采用圆锥齿轮传动,也有用螺旋齿轮的。侧边传动箱有齿轮传动和链轮传动两种。链轮传动零件数目少,重量轻,结构简单,加工精度要求低,但目前因链条易磨损断裂,使用寿命较短。齿轮传动比较可靠,但加工精度要求较高,制造复杂。我国旋耕机系列设计采用齿轮-链轮和全齿轮传动两种方式。

4.耕深控制装置 常用的是滑橇式和限深轮式两种。滑橇式安装在机架底部,调节滑橇与刀轴的相对距离,可以改变耕深。滑橇还起限深作用,一般用于水田作业。限深轮安装在旋耕机后部,由套管、升降丝杠、轮叉等组成。用于旱地作业。

随便看

 

离鸟网收录3541549条中英文词条,其功能与新华字典、现代汉语词典、牛津高阶英汉词典等各类中英文词典类似,基本涵盖了全部常用中英文字词句的读音、释义及用法,是语言学习和写作的有利工具。

 

Copyright © 2004-2024 vtrois.com All Rights Reserved
更新时间:2026/4/20 13:41:31