网站首页  词典首页


请输入您要查询的字词:

 

字词 旋浆分离器
类别 中英文字词句释义及详细解析
释义

旋浆分离器


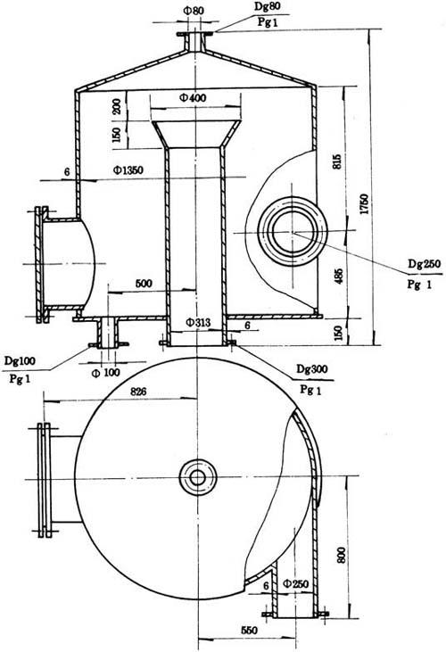
旋浆分离器是喷放锅的附属设备,安装在喷放锅与冷凝器之间的管道上,用以分离喷放蒸汽所带的纤维。用A3钢板焊接而成。其技术特征见表6-3-22,外形结构分别见图6-3-23和图6-3-24。

图6-3-23 ZJF12型旋浆分离器

图6-3-24 ZJF12型旋浆分离器

表6-3-22 旋浆分离器主要技术特征

随便看

 

离鸟网收录3541549条中英文词条,其功能与新华字典、现代汉语词典、牛津高阶英汉词典等各类中英文词典类似,基本涵盖了全部常用中英文字词句的读音、释义及用法,是语言学习和写作的有利工具。

 

Copyright © 2004-2024 vtrois.com All Rights Reserved
更新时间:2026/4/18 13:30:08