网站首页  词典首页


请输入您要查询的字词:

 

字词 数字式时间继电器
类别 中英文字词句释义及详细解析
释义

数字式时间继电器


1.适用范围

数字式时间继电器适用于交流50Hz,额定工作电压380V及以下或直流24V及以下的机床电气或自动控制电路中,可按预定的时间和工作程序接通和分断电路,并且可广泛地应用于电力拖动,自动顺序控制,以及各种生产过程的自动控制系统。

2.结构特征

数字式时间继电器具有延时精度高、延时范围宽、寿命长、功耗低、触点容量大、延时调整方便直观等特点,安装方式一般为面板式,也有装置式。

3.常用数字式时间继电器的产品型号及主要技术参数

常用数字式时间继电器的额定工作电压有AC36、AC110V、AC127V、AC220V、AC380和DC24V,其他电压也可定制,延时精度≤1%,也可≤0.5%,触点容量AC220V为3A,DC28V为5A,电寿命1×105次,机械寿命1×106次。其他主要技术参数见表1-87。

表1-87 常用数字式时间继电器的产品型号及主要技术参数

4.数字式时间继电器的接线图

数字式时间继电器的接线图见图1-56。

JS10接线图

JS11接线图

JS14接线图

JSS14A接线图

JSS20-21AM接线图

JSS20-48AM,JSS48A-2Z接线图

图1-56 数字式时间继电器的接线图

JSS48P接线图

JSS27A-□D接线图

图1-56 数字式时间继电器的接线图

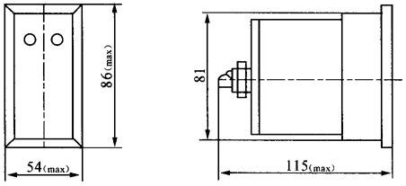
5.数字式时间继电器的外形安装尺寸及开孔尺寸

数字式时间继电器的外形安装尺寸及开孔尺寸图1-57。

图1-57a JS10外形和开孔尺寸

图1-57b JS11外形和开孔尺寸

图1-57c JS14P面板式外形和开孔尺寸

图1-57d JS14P装置式外形和开孔尺寸

装置式

面板式

图1-57e JSS1装置式和面板式外形尺寸

图1-57f JSS20-11AM外形和开孔尺寸

图1-57g JSS20-21AM/AMZ外形和开孔尺寸

图1-57h JSS20-48AM,JSS48P外形和开孔尺寸

图1-57i JSS27A外形和安装尺寸(不带中间继电器)

(1)JS10外形和开孔尺寸见图1-57a。

(2)JS11外形和开孔尺寸见图1-57b。

(3)JS14P面板式外形和开孔尺寸见图1-57c。

(4)JS14P装置式外形和开孔尺寸见图1-57d。

(5)JSS1装置式和面板式外形尺寸见图1-57e。

(6)JSS20-11AM外形和开孔尺寸见图1-57f。

(7)JSS20-21AM/AMZ外形和开孔尺寸见图1-57g。

(8)JSS20-48AM,JSS48P外形和开孔尺寸见图1-57h。

(9)JSS27A外形和安装尺寸(不带中间继电器)见图1-57i。

随便看

 

离鸟网收录3541549条中英文词条,其功能与新华字典、现代汉语词典、牛津高阶英汉词典等各类中英文词典类似,基本涵盖了全部常用中英文字词句的读音、释义及用法,是语言学习和写作的有利工具。

 

Copyright © 2004-2024 vtrois.com All Rights Reserved
更新时间:2026/4/20 1:12:37