网站首页  词典首页


请输入您要查询的字词:

 

字词 搭接焊缝的强度计算
类别 中英文字词句释义及详细解析
释义

搭接焊缝的强度计算


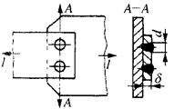
搭接接头可以承受各种形式的载荷,因此其焊缝的静载强度计算比较复杂,如图6.2-3所示的焊接结构分别由正面角焊缝、侧面角焊缝和联合角焊缝所组成,所承受的载荷是简单的拉、压静载荷,则其焊缝的静载强度计算如表6.2-3所示。

表6.2-3 搭接接头焊缝的静载强度计算公式

搭接接头若在焊接平面内受弯矩时,如图6.2-5所示,则其静载强度可分别采用分段法、轴惯性矩法和极惯性矩法求解,其中分段计算法较简单,但计算精度稍差,而极惯性矩法计算精度最高,但计算比较复杂,具体计算公式如表6.2-4所示。

(a)正面角焊缝

(b)侧面角焊缝

(c)联合角焊缝

图6.2-4 搭接接头的三种形式

(a)分段计算法

(b)轴惯性矩法

(c)极惯性矩法

图6.2-5 搭接接头的三种静载强度计算方法

表6.2-4 搭接接头受平面内弯矩的三种计算方法

对于采用两条角焊缝的长焊缝小间距或短焊缝大间距的特殊搭接接头结构,如图6.2-6所示,其焊缝所承受的应力大小可按表6.2-5所示的计算公式进行强度计算。

(a)长焊缝小间距

(b)短焊缝大间距

图6.2-6 两条焊缝搭接接头

表6.2-5 双焊缝搭接接头的焊缝强度计算公式

此外,对于由塞焊和开槽焊搭接接头,如图6.2-7所示,其焊缝静载强度应按剪切力实际作用于母材与焊缝接触面上的面积计算,其中塞焊焊缝的强度与焊点直径的平方和点数成正比;开槽焊缝的承载能力与开槽的长度和板材厚度成正比,计算公式如表6.2-6所示。

(a)塞焊

(b)开槽焊

图6.2-7 塞焊和开槽焊搭接接头

表6.2-6 塞焊和开槽焊焊缝的静载强度计算公式

随便看

 

离鸟网收录3541549条中英文词条,其功能与新华字典、现代汉语词典、牛津高阶英汉词典等各类中英文词典类似,基本涵盖了全部常用中英文字词句的读音、释义及用法,是语言学习和写作的有利工具。

 

Copyright © 2004-2024 vtrois.com All Rights Reserved
更新时间:2026/4/20 5:59:54