网站首页  词典首页


请输入您要查询的字词:

 

字词 按钮
类别 中英文字词句释义及详细解析
释义

按钮


1.常用LA型按钮开关

(1)适用范围:LA型按钮开关适用于交流50Hz或60Hz,电压至380V,直流电压至220V的电路中,与电磁式接触器、电磁启动器、继电器及其他电器配合,可供电动机起动、停止、正反转及遥远控制或工作信号转换、电气联锁之用。

(2)型号、结构型式及主要技术参数见表1-132、133。

表1-132 LA2、4、10系列按钮型号主要技术参数

表1-133 LA18、19、20、25系列按钮型号主要技术参数

(3)常用LA型按钮外形及安装尺寸:

①LA2按钮外形尺寸见图1-95。

图1-95 LA2按钮外形尺寸

②LA4系列按钮外形安装尺寸见图1-96。

图1-96 LA4按钮外形安装尺寸

③LA10系列按钮外形安装尺寸见图1-97和表1-134。

图1-97 LA10系列按钮外形及安装尺寸

表1-134 LA10系列按钮外形安装尺寸/mm

④LA18系列按钮外形安装尺寸见图1-98和表1-135。

图1-98 LA18系列按钮外形安装尺寸

表1-135 LA18系列按钮外形安装尺寸/mm

⑤LA19系列按钮外形安装尺寸见图1-99。

图1-99 LA19系列按钮外形安装尺寸

2.LAY3系列按钮开关

(1)适用范围:LAY3系列按钮开关适用于交流50Hz、60Hz,电压至660V及直流电压至440V的电磁起动器、接触器、继电器及其他电气线路中,作遥远控制之用。

(2)结构特征:LAY3系列按钮开关为积木式组合结构,装拆灵活、方便、可靠;触头可任意组合,便于更换,触头有1~4对,可组成1~14种规格;常开与常闭触头结构上是分开的,电气上是绝缘的,可异极工作;动静触头采用滑动式接触,滑擦自洁,接触可靠;接线端子采用统一组合螺钉;接线处有防隔板,安全方便;装有防转定位件和防松垫圈,定位、安装准确可靠。按钮颜色除了红、绿、黑、蓝、黄、白和无色透明外,可派生12种产品型号见表1-136。

表1-136 产品型号规格及其含义

注:※处示金属切削机床操作形象化符号

(3)主要技术参数:

①额定绝缘电压:AC660V(50Hz/60Hz)。

②约定发热电流:10A。

③使用类别:AC-11;DC-11。

④机械寿命:一般钮、蘑茹头钮300万次,带灯钮100万次,旋钮、钥匙钮、自锁钮10万次。

⑤电寿命:交流60万次,直流30万次;旋钮、钥匙钮、自锁钮10万次。

⑥防护等级:1P55。

(4)外形尺寸见图1-100。

图1-100 LAY3外形尺寸

3.LAY5(XB2)系列按钮开关

(1)适用范围:LAY5(XB2)系列按钮系仿法国施耐德电气公司XB2产品设计制造,用于交流50Hz,电压至380V的磁力起动器、接触器、继电器及其他电气线路中作远程控制用。

(2)结构特征:

①积木式组合结构,装拆灵活、方便、可靠。

②触头任意组合,便于更换,触头有1~4对,可组成1~14种规格,型号及对应的按钮颜色见表1-137。

表1-137 型号及对应的按钮颜色

③常开与常闭触头结构上是分开的,电气上是绝缘的,可异极工作。

④动静触头是滑动式接触,滑擦自洁,接触可靠。

⑤按钮的颜色有红、绿、黑、蓝、黄、白和无色透明。安装孔尺寸Φ22.5符合IEC337-2C标准,接线端子采用统一的M3.5组合螺钉。

⑥装有防转定位件和防松垫圈,定位安装准确可靠,并且按钮开关座可以每90°位置安装,适用各种接线位置。

(3)主要技术参数:

①额定电压380V。

②绝缘电阻≥10MΩ。

③额定发热电流5A。

④额定控制容量100V?A。

(4)外形及安装尺寸见图1-101。

图1-101 LAY5按钮外形及安装尺寸

4.LAY7系列按钮开关

(1)适用范围:LAY7系列按钮开关适用于交流50Hz、电压至660V,直流电压至440V及以下的电力等设备控制电路中作控制、信号连锁用途。

(2)结构特征:按钮开关的相邻触头元件在电气上是分开的,是相互绝缘的,可异极工作;按钮积木式组合结构,触头可任意组合,有1~4对触头可组成1~4种规格,装拆方便,便于更换;动静触头采用滚动式接触,有自洁功能,可靠性好。按钮的颜色有红、绿、黑、蓝、黄和白色,可派生15种产品型号。见表1-138,旋动按钮分二位置(用2表示)、三位置(用3表示)、二位置自复式(用21表示)、三位置自复式(用31表示)和三位左右自复式(用33表示),按钮的颈部尺寸分Φ22、Φ25和Φ30。

表1-138 产品型号规格及其含义

注:瞬动型是按下手松开,按钮能自动复位;交替型指按下去按钮能锁住,再按才能复位。

(3)主要技术参数:

①额定电压交流50Hz,660V,直流440V。

②绝缘电阻≥10MΩ。

③额定发热电流10A。

④使用类别:AC-15;DC-13。

⑤机械寿命:一般钮、蘑茹头钮300万次,旋钮30万次,自锁钮5万次。

⑥电寿命:交流60万次,直流30万次;旋钮10万次,自锁钮5万次。

(4)外形和安装尺寸:

①LAY7按钮安装在控制板的安装孔的直径及安装的间距见图1-102和表1-139。

安装孔的尺寸

多个产品并排安装的间距

图1-102 LAY7按钮安装孔的直径及安装的间距

表1-139 安装孔的尺寸和多个产品并排安装的间距/mm

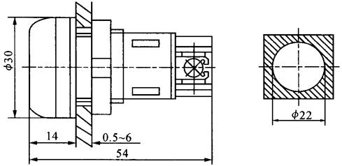
②LAY7按钮外形和安装尺寸见图1-103和表1-140。

图1-103 LAY7按钮外形和安装尺寸

表1-140 LAY7按钮外形和安装尺寸/mm

5.LAY8系列按钮开关

(1)适用范围:LAY8系列按钮产品适用于交流50Hz(或60Hz)电压660V及以下,直流电压440V及以下的电磁起动器、接触器、继电器及其他电气线路中作遥远控制之用。

(2)结构特征:

①按钮开关的接触系统采用杠杆式超临界翻动机构,操作时即使按动行程不够,只要超过临界翻转位置就能迅速动作,可靠接触或断开,通过拉簧的作用保证必要的触头压力,并有自洁功能,使接触可靠,灭弧性能良好。通断时由于金属簧片的跳动,发出清脆的响声,给使用者一种信号,使之知道指令的执行与否。

②组合式卡装方式:装拆灵活、方便、可靠;可装二节开关元件,触头有1~4对,可组成1~14种规格见表1-141。

表1-141 LAY8系列产品型号规格及其含义

注:※瞬动型是指按下下手松开,按钮能自动复位;而交替型指按下去按钮能锁住,再按按钮才能复位。

③常开和常闭在电气上是绝缘的,可异极工作。

④接线处有防隔板,组合螺钉压线,其瓦型垫圈随螺钉的旋出、旋入而提升或下降,接线方便。

⑤按钮的颜色有红、绿、黑、蓝、黄和白色。

⑥安装方式采用斜式螺钉固定,不仅方便而且安全可靠。

⑦旋动按钮分1-左边自复式、fu-右边自复式、ffu-左右边自复式。

(3)主要技术参数:

①额定电压交流50Hz,660V;直流440V。

②绝缘电阻≥10MΩ。

③额定发热电流10A。

④使用类别:AC-15,DC-13。

⑤机械寿命:一般钮、带灯钮300万次,旋钮30万次,自锁钮、钥匙钮5万次。

⑥电寿命:一般钮、带灯钮60万次,旋钮10万次,自锁钮、钥匙钮5万次。

(4)按钮外形及安装尺寸:

①LAY8按钮多个产品并排安装的间距图1-104。

图1-104 LAY8按钮多个产品并排安装的间距

注:A、B尺寸的大小与按钮的形状有关,一般钮、灯钮、旋钮、钥匙按钮A=30mm,则B=50mm;蘑菇钮、长柄旋钮、急停按钮A=45mm,则B=50mm

②LAY8按钮的外形见图1-105和表1-142。

图1-105 LAY8按钮外形安装尺寸

表1-142 LAY8按钮外形和安装尺寸/mm

随便看

 

离鸟网收录3541549条中英文词条,其功能与新华字典、现代汉语词典、牛津高阶英汉词典等各类中英文词典类似,基本涵盖了全部常用中英文字词句的读音、释义及用法,是语言学习和写作的有利工具。

 

Copyright © 2004-2024 vtrois.com All Rights Reserved
更新时间:2026/4/21 10:28:49