网站首页  词典首页


请输入您要查询的字词:

 

字词 打叶复烤生产线自动化控制
类别 中英文字词句释义及详细解析
释义

打叶复烤生产线自动化控制


(一)控制系统的基本功能

(1)逻辑程序控制及连锁功能。

(2)手动/自动转换及本地操作功能。

(3)过程控制及在线检测功能。

(4)工艺流程和控制参数显示功能。

(5)安全保护、停机及自动报警功能。

(6)自诊断功能。

(7)管理功能。

(二)电控模式

1.集中分段控制

根据工艺设备要求,控制设备一般为相对集中,进行分段控制。段内控制柜可选用联体结构,各段控制功能相对独立,自成体系;段与段之间信号联络和信号连锁;在设备附近安装有本地隔离开关和启停按钮;大功率电动机采用本地柜降压启动方式。

2.控制系统分段

(1)打叶前控制段。

(2)打叶控制段。

(3)烟片复烤控制段。

(4)烟梗复烤控制段。

(5)预压打包控制段。

(6)除尘系统控制段。

(三)各控制段基本功能

1.打叶前控制段

该段以程序控制为主,保证进入打叶机烟叶水分、温度和流量基本恒定。但真空回潮工序不包含在打叶前控制段内,只利用随机配有的控制装置。与打叶前控制段也无信号联络和信号连锁。

2.打叶控制段

(1)该段以程序控制为主,可在控制柜面板上选择手动/自动操作方式;电动机手动/自动可从本地开关处选择;段内的程序控制,由可编程控制器按预定程序执行。

(2)7.5kW以上电动机采用Y/△启动或专设本地控制柜;由于该段大功率电动机多,必要时可在电源柜中和本地柜中增设功率因素补偿装置。

(3)当打叶线上某处出现故障,可由控制连锁信号自动反馈给打前控制段,使该段停止运行;控制柜中设过压、欠压、过流保护电路及报警指示,本地开关上配置电动机本地停机按钮,以保证设备及人员安全。

(4)画面显示可采用计算机屏幕显示和模拟板显示两种方式。计算机屏幕显示工艺流程画面,工艺参数及设备工作状态,以实现集中监控。模拟板显示可按工艺流程相对应的模拟图型,显示设备的运行状态及出现故障的部位。

3.烟片复烤控制段

(1)该段程序控制与打叶线控制方式相同。工艺参数(即温度、湿度等)可采用单回路调节器组成控制单元,对干燥段、冷却段和回潮段的温度进行自动调节。

(2)气流温度可由温度传感器、温度变送器,调节器,电动(或气动)阀组成控制单元完成。温度传感器宜选用精度高,灵敏度高、输出信号大的铂热电阻和相配套的变送器和调节器(如国产化的DDZ-Ⅲ型电动单元组合仪表)。

(3)烤后叶片含水率可由复烤机出料端的水分仪(或传感器)采集叶片含水率参数,与设计值进行比较、采用闭环控制。

4.烟梗复烤段(略)

5.预压打包控制段

该段可采用可编程控制器为主的控制方式进行控制,可编程控制器接收安装在设备上的接近开关、光电开关、行程开关及电器元件触点开关信号、按预定程序完成喂料至捆扎各工序的加工任务。PC柜上的模拟板可显示各道工序的工作状态。

6.除尘控制段

大功率除尘风机,宜采用降压起动。

(四)电控柜特点及电路结构

打叶复烤生产线分段集中控制的电源柜、执行柜与可编程控制器柜可采用联体结构,柜内应设通风散热和照明装置,电子器件在前面板上卡装,控制线及动力线分两个通道,本地柜宜设在被控设备附近。

1.电源控制柜

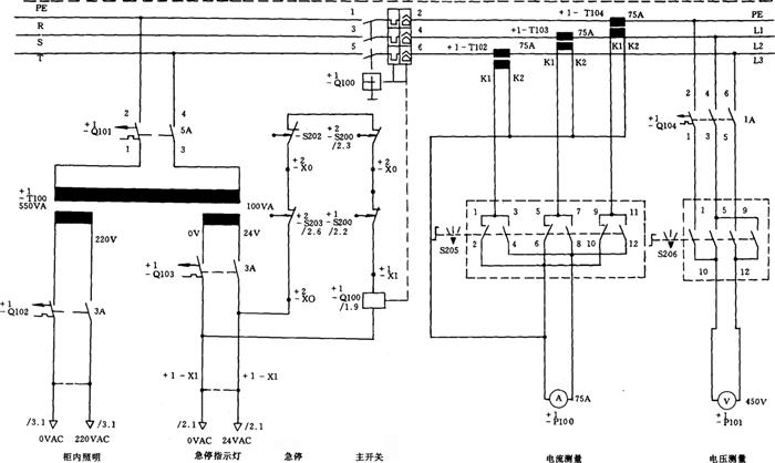
电源控制柜为执行柜和可编程控制柜提供交直流电源。柜内安装空气开关、隔离变压器、互感器、直流稳压电源及电流、电压指示仪表,应具有自动欠压保护、供气压力控制、电压电流指示、手动停机及声光报警功能。一般的电源柜电原理图见图10-5-1所示。

图10-5-1 电源柜电路原理图

①Q100为三相电源电路总开关,为执行柜提供380VAC电源,具有欠压保护功能。②Q101、Q102、Q103及T100为执行柜、可编程控制器提供220VAC、24VAC电源,S200~S203为安装在各段的急刹单按钮开关。③S205、S206为检测电压电流值的转换开关。

2.执行控制柜

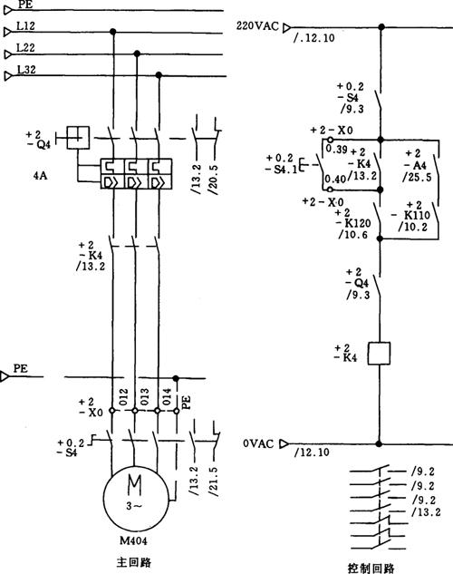
执行控制柜由自动空气开关、交流接触器、中间继电器、延时继电器等低压电器组成,接收可编程控制器的输出信号,完成各种控制,同时将动作状态信号,输入给可编程控制器,以完成在线的逻辑控制。内部电路分主回路和控制回路。一般的执行柜内部电路见图10-5-2所示。

图10-5-2 执行柜内部电路

主回路由空气开关Q4、交流接触器K4触点、本地开关触点S4、电动机M404组成。

控制回路由交流接触器K4、手动启动按钮4.1、自动起动信号PC触点A4、手动/自动转换开关K110、k120以及Q4触点组成。具有手动/自动起动功能。

3.可编程控制(PC)控制柜

PC控制柜可由可编程控制器、中间继电器、模拟显示板组成,按控制要求进行编程、设置工作状态,完成系统逻辑控制和工艺参数的开环或闭环控制。

4.本地控制柜

为7.5kW以上电动机启动而设计的本地柜,在打叶段、除尘段用量较大,本地柜电源由车间配电柜提供,放置在受控电动机附近。控制电路可采用Y-△降压启动方式,对大容量的电动机控制,宜增设功率因素补偿装置。

随便看

 

离鸟网收录3541549条中英文词条,其功能与新华字典、现代汉语词典、牛津高阶英汉词典等各类中英文词典类似,基本涵盖了全部常用中英文字词句的读音、释义及用法,是语言学习和写作的有利工具。

 

Copyright © 2004-2024 vtrois.com All Rights Reserved
更新时间:2026/4/21 0:53:25