网站首页  词典首页


请输入您要查询的字词:

 

字词 弧焊逆变器主电路
类别 中英文字词句释义及详细解析
释义

弧焊逆变器主电路


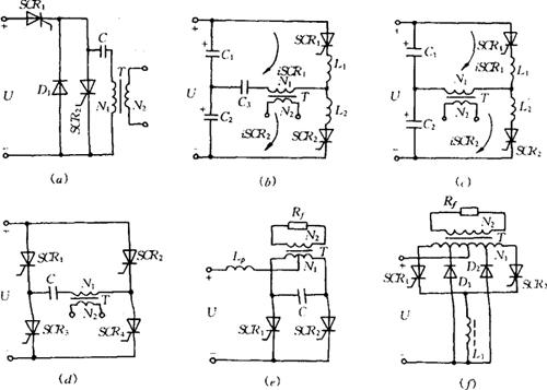
1.晶闸管弧焊逆变器主电路六种基本形式(图11-15)

图11-15 晶闸管弧焊逆变器主电路基本形式

图11-15(a)为串联不对称半桥式电路:它通过SCR1和SCR2交替轮流通断,使变压器T的初级绕组N1与电容C之间形成振荡,在T的次级绕组N2获得低压中频电。

图11-15(b)(c)为串联对称半桥式电路:它是利用SCR1、SCR2轮流交替通断,在中频变压器T的初级绕组中产生中频电。

图11-15(d)为串联对称桥式电路:它是利用SCR1·4和SCR2·3轮流交替通断,在中频变压器T初级N1中产生中频电流。在N2中输出低压中频电。

图11-15(e)为并联式全波电路:它是利用SCR1和SCR2轮流交替通断及电容C的换流作用,在中频变压器T的初级绕组N1中通过中频交流电流,在N2中获得低压中频电。Lp的感应电势,产生反向电流,防止单向磁化。

图11-15(f)为并联式麦克默利电路:它同样是利用SCR1和SCR2的轮流交替通断,在中频变压器T的初级绕组N1中通过交流电流,在次级N2中获得低压中频电。SCR1及SCR2的换流关断是靠L1实现的。二极管D1及D2是在SCR1及SCR2关断时,为L1的感应电势提供一个释放回路,通过N1的部分绕组反向导电,对T去磁,防止单向磁化。

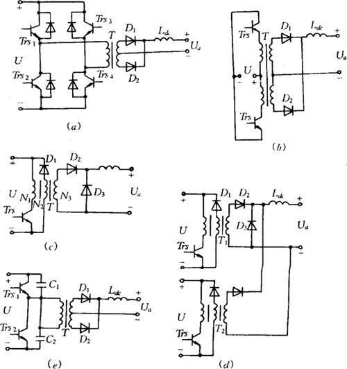
2.晶体管弧焊逆变电源主电路基本形式

图11-16是串联半桥式晶体管弧焊电源的主电路。直流输入电压U,由单相或三相输入整流桥提供,经L1滤波,对电解电容C2、C3充电。UC2、UC3分别供给Trs1、Trs2与Trs3、Trs4工作电压。晶体管组Trs1、Trs2和Trs3、Trs4受控制信号Ub1和Ub2控制,轮流交替通断,在中频变压器T的初级绕组N1中通过中频交流电流,次级绕组N2输出低压中频电。R1-R4为Trs1-Trs4的均流电阻。

图11-16 串联半桥式晶体管弧焊逆变电源主电路

除串联半桥式之外,晶体管弧焊逆变电源主电路常用的还有四种。其原理电路如图11-17所示。

图11-17 晶体管弧焊逆变器主电路基本形式

图11-17(a)为串联全桥式电路:Trs集射极之间电压为电源电压U。靠Trs1、Trs4和Trs3、Trs2二组大功率晶体管轮流交替通断,在中频变压T的初级N1中通过中频交流电流。在次级N2中输出低压中频电。经D1、D2整流、Ldc滤波,供较大电流的直流电弧焊。

图11-17(b)为并联推挽式电路:Trs集射极之间承受ZU电压,Trs两组轮流交替导通使中频变压器T输出低压中频电,经D1、D2整流,Ldc滤波,供较大电流场合的直流电弧焊。

图11-17(c)为单端通向开关电路:为限制晶体管Trs集射极的尖峰电压,该电路设有带去磁绕组的二极管D1箝位电路,使Trs集射极电压Uce不超过2U。这种电路不存在晶体管Trs正负半波同时导通的问题,适用于小电流焊接场合。

图11-17(d)为双端通向开关电路:由两个单端通向开关电路并联组成,输出功率提高1倍,有利于减小输出电抗器的体积和改善波纹度、适用于较大焊接电流的场合。

3.场效应管弧焊逆变电源的主电路

其基本形式与晶体管式弧焊逆变电源主电路相同,但由于通断控制信号是电压,而不是电流,所以效率更高,逆变频率也可以提得更高(50kHz以上)。图11-18为场效应管半桥式弧焊逆变电源原理电路图。

图11-18 场效应管半桥式弧焊逆变电源主电路

随便看

 

离鸟网收录3541549条中英文词条,其功能与新华字典、现代汉语词典、牛津高阶英汉词典等各类中英文词典类似,基本涵盖了全部常用中英文字词句的读音、释义及用法,是语言学习和写作的有利工具。

 

Copyright © 2004-2024 vtrois.com All Rights Reserved
更新时间:2026/4/20 23:57:59