网站首页  词典首页


请输入您要查询的字词:

 

字词 开启式、转换式和熔断器式刀开关
类别 中英文字词句释义及详细解析
释义

开启式、转换式和熔断器式刀开关


1.HD系列开启式单投刀开关

(1)适用范围:HD系列开启式单投刀开关适用于交流50Hz、额定电压至380V、直流至440V、额定电流至3000A的成套配电装置中,作为不频繁地手动接通和分断交、直流电路或作隔离开关用。

(2)常用开启式单投刀开关产品型号及主要技术参数:常用HD系列开启式单投刀开关产品型号及主要技术参数列于表1-9。

表1-9 常用刀开关产品型号及主要技术参数

(3)外形及安装尺寸:

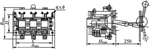
①HD11系列刀开关的外形及安装尺寸见图1-1和表1-10。

图1-1 HD11系列刀开关的外形及安装尺寸

表1-10 HD11中央手柄式单投刀开关的安装尺寸/mm

注:HD11B型为改进型,其A、B尺寸略小一些,其余尺寸都相同。

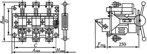
②HD12、HD13系列刀开关的外形及安装尺寸见图1-2和表1-11。

图1-2 HD12、HD13系列刀开关的外形及安装尺寸

表1-11 HD12、HD13系列刀开关的安装尺寸/mm

注:HD12、HD13系列刀开关改进型的外形尺寸除A、B略小一些,其余尺寸都相同。

2.HS系列刀形转换双投刀开关

(1)适用范围:HS系列刀形转换双投刀开关适用于交流50Hz、额定电压至380V、直流至440V、额定电流至1500A的成套配电装置中,作为不频繁地手动接通和分断交、直流电路或作隔离开关用。

(2)常用刀形转换双投刀开关产品型号及主要技术参数:常用HS系列开启式双投刀开关产品型号及主要技术参数列于表1-12。

表1-12 常用刀形转换双投刀开关产品型号及主要技术参数

(3)外形及安装尺寸:

①HS11系列刀开关的外形及安装尺寸见图1-3和表1-13。

图1-3 HS11系列刀开关的外形及安装尺寸

表1-13 HS11中央手柄式双投刀开关的安装尺寸/mm

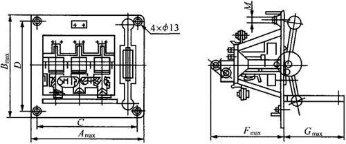
②HS12、HS13系列刀开关的外形及安装尺寸见图1-4和表1-14。

图1-4 HS12、HS13系列刀开关的外形及安装尺寸

表1-14 HD12、HD13系列刀开关的安装尺寸/mm

注:HS12、HS13系列刀开关改进型的外形尺寸除A、B略小一些,其余尺寸都相同。

3.HR系列熔断器式刀开关

(1)适用范围:HR系列熔断器式刀开关主要用于交流45~62Hz,额定电压660V,预定发热电流至630A的具有高短路电流的配电电路和电动机电路中,作为电源开关、隔离开关、应急开关并作电路保护用,但一般不作为直接开关单台电动机之用。

(2)结构特征:熔断器式刀开关是RTO有填料熔断器和刀开关的组合电器,具有RTO有填料熔断器和刀开关的基本性能,在电路正常供电的情况下,接通和切断电源由刀开关来担任。当线路或用电设备过载或短路时,熔断器式刀开发的熔体烧断,及时切断故障电流。前操作前检修的熔断器式刀开关,中央有供检修和更换熔断器的门,主要供BDL配电屏上安装。前操作后检修的熔断器式刀开关主要提供BSL配电屏上安装。侧操作前检修的熔断器式刀开关可以制成封闭的动力配电箱。

额定电流600A及以下的电流熔断器式刀开关带有安全拦板,并装有灭弧室。灭弧室是由酚醛布板和钢板冲制件铆合而成的。熔断器式刀开关的熔断器固定在带弹簧、锁板的绝缘横梁上,在正常运行时,保证熔断器不脱扣,而当熔断体因线路故障而熔断后,只须按下锁板就可以很方便地更换熔断器。

(3)常用熔断器式刀开关产品型号及主要技术参数:常用熔断器式刀开关产品型号及主要技术参数列于表1-15。

表1-15 常用熔断器式刀开关产品型号及主要技术参数

(4)常用熔断器式刀开关的外形及安装尺寸:

①HR3系列熔断器式刀开关的外形及安装尺寸见图1-5及表1-15。

图1-5a HR3正面侧方杠杆式外形及安装尺寸

图1-5b HR3/32正面中央杠杆式的外形及安装尺寸

图1-5c HR3/33侧面手柄式的外形及安装尺寸

图1-5d HR3/34无面板侧方杠杆式的外形及安装尺寸

a.HR3/31正面侧方杠杆式系列熔断器式刀开关的外形及安装尺寸见图1-5a及表1-16a。

表1-16a HR3正面侧方杠杆式外形及安装尺寸/mm

注:F*尺寸为手柄打开90°使连杆处于最大位置时的尺寸。

b.HR3正面中央杠杆式系列熔断器式刀开关的外形及安装尺寸见图1-5b及表1-16b。

表1-16b HR3/32正面中央杠杆式的外形及安装尺寸/mm

c.HR3/33侧面手柄式系列熔断器式刀开关的外形及安装尺寸见图1-5c及表1-16c。

表1-16c HR3/33侧面手柄式的外形及安装尺寸/mm

d.HR3/34无面板侧方杠杆式系列熔断器式刀开关的外形及安装尺寸见图1-5d及表1-16d。

表1-16d HR3/34无面板侧方杠杆式的外形及安装尺寸/mm

②HR5、HR6系列熔断器式刀开关的外形及安装尺寸见图1-6及表1-17。

图1-6 HR5、HR6系列熔断器式刀开关的外形及安装尺寸

表1-17 HR5、HR6系列熔断器式刀开关的安装尺寸

随便看

 

离鸟网收录3541549条中英文词条,其功能与新华字典、现代汉语词典、牛津高阶英汉词典等各类中英文词典类似,基本涵盖了全部常用中英文字词句的读音、释义及用法,是语言学习和写作的有利工具。

 

Copyright © 2004-2024 vtrois.com All Rights Reserved
更新时间:2026/4/19 2:28:55