网站首页  词典首页


请输入您要查询的字词:

 

字词 常用电阻器外形及安装尺寸
类别 中英文字词句释义及详细解析
释义

常用电阻器外形及安装尺寸


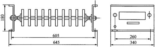
(1)ZX1、ZX2和ZX9电阻器的外形及安装尺寸见图1-132。

图1-132 ZX1、ZX2和ZX9电阻器的外形及安装尺寸

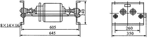
(2)ZX10和ZX15电阻器的外形及安装尺寸见图1-133。

图1-133 ZX10和ZX15电阻器的外形及安装尺寸

(3)ZX12和ZX28电阻器的外形及安装尺寸见图1-134。

图1-134 ZX12和ZX28电阻器的外形及安装尺寸

(4)RT电阻器的外形及安装尺寸见图1-135。

ZB型康铜板型元件电阻器

ZJ1型铁铬铝齿型元件电阻器

带防护外壳电阻器

图1-135 RT电阻器的外形及安装尺寸

随便看

 

离鸟网收录3541549条中英文词条,其功能与新华字典、现代汉语词典、牛津高阶英汉词典等各类中英文词典类似,基本涵盖了全部常用中英文字词句的读音、释义及用法,是语言学习和写作的有利工具。

 

Copyright © 2004-2024 vtrois.com All Rights Reserved
更新时间:2026/4/20 1:39:56