网站首页  词典首页


请输入您要查询的字词:

 

字词 工厂供电方式及供配电电压的选择
类别 中英文字词句释义及详细解析
释义

工厂供电方式及供配电电压的选择


1.工厂供电方式

工厂供电方式可分为二次降压供电方式和一次降压供电方式两种。

(1)二次降压供电方式

对用电负荷很大的工厂企业,采用35~110kV的电力网进线,将35~110kV的电源电降至6~10kV的电压,再由6~10kV的电源电压降380/220V的电压,供给低压电气设备,如图6-1所示。

图6-1 工厂企业二次降压供电方式示意图

1-总降压变电所 2-车间变电所 3-杆上变电所 4-独立变电所 5-高压电动机 6-低压电动机 7-照明

二次降压供电是由高压及低压配电线路,总降压变电所,车间变电所,杆上变电所,独立变电所和用电设备组成的。

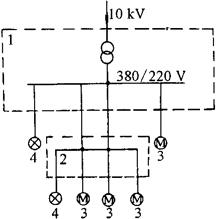
(2)一次降压供电方式

对用电负荷较小的工厂企业,采用35kV或10kV的电力网进线,将35kV或10kV的电源电压直接降至380/220V的电压,供给低压电气设备,如图6-2所示。

图6-2 工厂企业一次降压供电方式示意图

1-工厂变电所 2-车间变电所 3-电动机 4-照明

一次降压供电是由高压及低压配电线路,总降压变电所,车间变电所和用电设备组成的。

2.工厂供电电压的选择

常用各级电压的经济输送容量与输送距离的关系如表6-1所示。

表6-1 常用各级电压的经济输送容量与输送距离

一般情况下,工厂企业的供电电压可参考表6-1选择。即:

①对于设备容量在100kW以下,输送距离在600m以内,又无高压用电设备的小型工厂,可选用380/220V电压供电。

②对于设备容量在100~2000kW,输送距离在4~20km以内的中、小型工厂,可选用6~10kV电压供电。

③对于设备容量在2000~50000kW,输送距离在20~150km以内的大型工厂,可选用35~110kV电压供电。

3.工厂配电电压的选择

①工厂的高压配电电压一般选用10kV。因10kV线路投资少,损耗少(较6kV相比)。

如果供电电源电压为6kV,或6kV用电设备多且分散,可采用6kV作为高压配电电压。

②工厂的低压配电电压一般选用380/220V。

380V为三相配电电压,供给三相用电设备及380V的单相用电设备。

220V为单相配电电压,供给照明电路及其他220V的单相用电设备。

如负荷中心离变电所较远,为减少线路的电压及电能损耗,提高负荷端的电压水平,也可选用660V配电电压。

随便看

 

离鸟网收录3541549条中英文词条,其功能与新华字典、现代汉语词典、牛津高阶英汉词典等各类中英文词典类似,基本涵盖了全部常用中英文字词句的读音、释义及用法,是语言学习和写作的有利工具。

 

Copyright © 2004-2024 vtrois.com All Rights Reserved
更新时间:2026/4/20 15:14:47