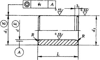
3.1.4.1 直导套
直导套如图3-5和表3-5所示。

图3-5 直导套
标记示例:d=12mm,L=32mm的直导套;导套φ12×32。当材料为20钢时,导套φ12×32
表3-5 直导套(GB4169.2—84)(mm)

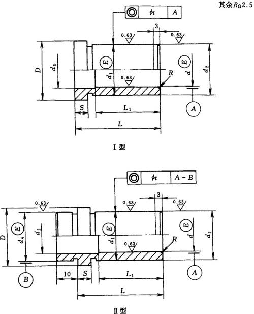
3.1.4.2 带头导套
带头导套如图3-6和表3-6所示。

图3-6 带头导套
表3-6 带头导套(GB4169.3—84)(mm)


注材料:T8A(GB1298—86),20钢(GB699—88)。
技术条件:①热处理50~55HRC,20钢渗碳0.5~0.8淬硬56~60HRC;②图中标注的形位公差值按GB1184—80的附录一,t为6级;③图示倒角不大于0.5×45°;④其它按GB4170—84。
标记示例:d=12mm,L=40mm的带头导套Ⅰ型;导套φ12×40(Ⅰ)。当材料为20钢时,导套φ12×40(Ⅰ)