网站首页  词典首页


请输入您要查询的字词:

 

字词 基本原理、逆变体制和类型
类别 中英文字词句释义及详细解析
释义

基本原理、逆变体制和类型


1.基本原理

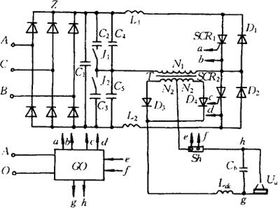
以晶闸管弧焊逆变器为例说明其基本工作原理。如图11-14所示,Z是输入整流器,将380V工频交流电整流成直流。经L1电抗器滤波,获得高压直流电,供给由SCR1、SCR2、C2·4、C3·5、T组成逆变器。控制SCR1、SCR2快速交替通断和C2·4、C3·5交替充放电,在中频变压器T的初级绕组N1中形成几千至几万赫兹的中频交流电。经中频变压器T降压,在次级绕组N2中输出几十伏低压中频交流电。经D3、D4整流,输出电抗器Ldc滤波,获得直流焊接电流。通过C2、C3并入和切除,配合GO触发频率的调节,完成输出电流粗调。GO触发频率的改变能够连续不断地改变焊接电流。改变电压、电流反馈量获得不同形状的外特性,以满足不同焊接方法的需要。

图11-14 晶闸管弧焊逆变器原理电路

2.逆变体制

根据输出是交流或是直流,将逆变弧焊电源分为两种逆变体制。即ACDC-AC体制和AC-DC-AC-DC体制。AC-DC-AC体制交流输出适合于铝及其合金的钨极氩弧焊。AC-DC-AC-DC体制直流输出,适合于不锈钢等的钨极氩弧焊。

3.弧焊逆变器的种类

按逆变器的大功率开关器件种类不同分为:晶闸管弧焊逆变器,晶体管弧焊逆变器,场效应管弧焊逆变器三大类。

随便看

 

离鸟网收录3541549条中英文词条,其功能与新华字典、现代汉语词典、牛津高阶英汉词典等各类中英文词典类似,基本涵盖了全部常用中英文字词句的读音、释义及用法,是语言学习和写作的有利工具。

 

Copyright © 2004-2024 vtrois.com All Rights Reserved
更新时间:2026/4/21 14:43:51