网站首页  词典首页


请输入您要查询的字词:

 

字词 型芯头尺寸
类别 中英文字词句释义及详细解析
释义

型芯头尺寸


5.3.4.1 水平型芯头

水平型芯头如图5-5所示.

图5-5 水平型芯头

水平型芯头斜度和芯头与芯座的配合间隙应符合图5-5、表5-61的规定.

表5-61 水平型芯头斜度和芯头与芯座的配合间隙

注:间隙S1的值可按(1.5~2)S计算.

湿型、干型、自硬砂型的水平型芯头长度应符合图5-5、表5-62的规定.湿型、干型、自硬砂型的水平型芯头顶面和芯座的配合间隙应符合图5-5、表5-63的规定.

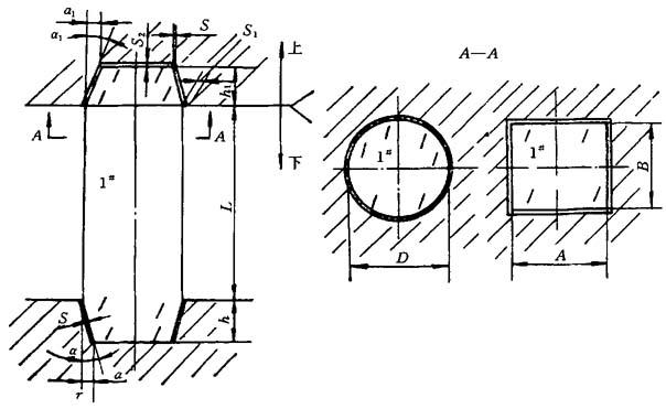
5.3.4.2 垂直型芯头

垂直型芯头如图5-6所示.

图5-6 垂直型芯头

垂直型芯头高度和芯头与芯座的间隙应符合图5-6、表5-64的规定.若型芯高度与直径之比大于2.5,则应将下部垂直型芯头加大(见图5-7).

表5-62 湿型、干型、自硬砂型的水平型芯头长度 mm

注:1.型芯头中设有浇注系统时,根据浇注系统的大校型芯头长度可比表中所示值大.

2.型芯头长度受到砂箱尺寸限制时,可按表中数值减小20%~25%,但需在芯座部分附加铁片或耐火砖等,以提高芯座的抗压能力.

3.多支点(两个以上支点或安放芯撑作为支点)的型芯头长度,可以适当减校

表5-63 湿型、干型、自硬砂型的水平型芯头顶面和芯座的配合间隙 mm

注:芯头底面和芯座的配合间隙,需要时可按:湿型为0~1.5mm、干型为0~3mm、自硬砂为0~2mm考虑.

表5-64 垂直型芯头高度和芯头与芯座的配合间隙 mm

注:1.型芯头高度受到砂箱尺寸限制时,可按表中数值减小20%~25%.

2.当没有上部型芯头时,下部型芯头高度可按表中数值增加30%~50%.

3.对于一些大批量生产,且对高度中心线对称的型芯,上下部的型芯头尺寸可以相同

4.间隙S1的值可按(1.5~2)S计算.

5.上部型芯头高度h1的值可按(0.6~0.7)h计算.

图5-7 加大下部型芯头

当L:D2>2.5时,则D1=(1.5~2)D2;D1≤0.8D.垂直型芯头的斜度应符合图5-6、表5-65的规定.

表5-65 垂直型芯头斜度

垂直型芯头顶面与芯座的配合间隙应符合图5-6、表5-66的规定.

表5-66 垂直型芯头顶面与芯座的配合间隙 mm

注:芯头底面和芯座的配合间隙,需要时可按:湿型为0~1.5mm、干型为0~3mm、自硬砂型为0~2mm考虑.

5.3.4.3 压紧环、压紧半环、防压环、集砂槽和倒角

压紧环、压紧半环、防压环、集砂槽和倒角如图5-8所示,尺寸见表5-67.

图5-8 压紧环、压紧半环、防压环、集砂槽和倒角形式

(a)垂直型芯头;(b)水平型芯头

表5-67 压紧环、压紧半环、防压环、集砂槽和倒角尺寸 mm

5.3.4.4 水平型芯头和垂直型芯头的定位形式

水平型芯头和垂直型芯头的定位形式可参考表5-68、表5-69.

表5-68 水平型芯头定位的参考形式

表5-69 垂直型芯头定位的参考形式

随便看

 

离鸟网收录3541549条中英文词条,其功能与新华字典、现代汉语词典、牛津高阶英汉词典等各类中英文词典类似,基本涵盖了全部常用中英文字词句的读音、释义及用法,是语言学习和写作的有利工具。

 

Copyright © 2004-2024 vtrois.com All Rights Reserved
更新时间:2026/4/19 21:45:13