网站首页  词典首页


请输入您要查询的字词:

 

字词 型坯长度控制
类别 中英文字词句释义及详细解析
释义

型坯长度控制


型坯长度的控制有助于降低吹塑制品的成本。型坯过长会造成原料的浪费,若过短则会使其无法吹胀。

挤出机螺杆转速的不稳定、熔体温度的波动或回收料含量的改变,均会造成型坯长度的变化。成型周期确定以后,型坯长度由其挤出速度确定,而挤出速度主要取决于螺杆转速、熔体温度与机头口模间隙。因此,控制型坯长度最常用的方法就是调节螺杆转速。如图15- 24所示,两个定时器与一个光电元件组合,可确定型坯长度,并通过调节螺杆转速来保证型坯长度满足要求。

图15-24 一种型坯长度的控制系统

1机头 2-型坯 3-反射器 4-光电元件 5-输出

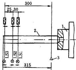
另一种型坯长度的控制系统见图15-25。采用光电元件LS1与LS2来测量型坯的挤出速度。根据在LS1与LS2之间测量的型坯平均速度,并用修正系统来修正,可得出型坯挤出的整个过程中的平均速度。成型周期稳定时,可预先计算型坯的长度。若该计算值与目标值不相符,则可通过调节螺杆转速来获得合适的型坯长度。在生产过程中,光电元件LS3用于监控模具的闭合时间,以确保模具不会过早闭合;在开机阶段,LS3也可用于测量型坯的平均速度。

现已研制出设置有激光探测器的闭环型程控系统,能较准确地控制型坯长度。

图15-25 另一种型坯长度控制系统

1-机头 2-型坯 3-切坯装置

随便看

 

离鸟网收录3541549条中英文词条,其功能与新华字典、现代汉语词典、牛津高阶英汉词典等各类中英文词典类似,基本涵盖了全部常用中英文字词句的读音、释义及用法,是语言学习和写作的有利工具。

 

Copyright © 2004-2024 vtrois.com All Rights Reserved
更新时间:2026/4/20 12:57:57