网站首页  词典首页


请输入您要查询的字词:

 

字词 地物表示方法
类别 中英文字词句释义及详细解析
释义

地物表示方法


地形是地物和地貌的总称。地物是地面上天然或人工形成的物体,如湖泊、河流、房屋、道路、桥梁等。

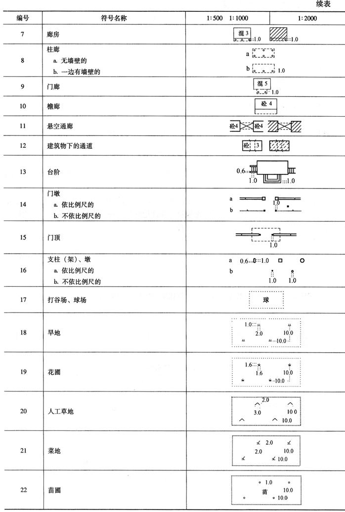
地面上的地物与地貌,应按国家测绘总局颁发的《地形图图式》中规定的符号表示在图形中。图式中的符号分为地物符号、地貌符号和注记符号三种。其中地物符号分为比例符号、非比例符号、半比例符号和地物注记四种。

1.比例符号

地面上的建筑物、旱田等地物,如能按测图比例尺并用规定的符号缩绘在图纸上,称为比例符号。

2.非比例符号

有些地物,如导线点、消火栓等,无法按比例尺缩绘,只能用特定的符号表示其中心位置,称为非比例符号。

3.半比例符号

一些线状延伸的地物,如电力线、通讯线等,其长度能按比例尺缩绘,而宽度不能按比例表示的符号,称为半比例符号。表7-6为地形图图式中的一些常用符号。

表7-6 常用地物、地貌和注记符号

4.地物注记

对地物用文字或数字加以注记和说明称为地物注记,如建筑物的结构和层数、桥梁的长宽与载重量、地名、路名等。

测定地物特征点后,应随即勾绘地物符号,如建筑物的轮廓用线段连接,道路、河流的弯曲部分需逐点连成光滑的曲线;消火栓、水井等地物可在图上标定其中心位置,待整饰时再绘规定的非比例符号。

随便看

 

离鸟网收录3541549条中英文词条,其功能与新华字典、现代汉语词典、牛津高阶英汉词典等各类中英文词典类似,基本涵盖了全部常用中英文字词句的读音、释义及用法,是语言学习和写作的有利工具。

 

Copyright © 2004-2024 vtrois.com All Rights Reserved
更新时间:2026/4/22 1:38:29