网站首页  词典首页


请输入您要查询的字词:

 

字词 后张法张拉设备的组成
类别 中英文字词句释义及详细解析
释义

后张法张拉设备的组成


后张法的张拉设备主要包括:锚具、张拉千斤顶。

(一)锚具

锚具是后张法结构或构件中为保持预应力筋拉力,并将其传递到混凝土上用的永久锚固装置。在后张法中,锚具是建立预应力值和保证结构安全的关键,是预应力构件的一个组成部分。要求锚具的尺寸形状准确,有足够的强度和刚度,受力后变形小,锚固可靠,不会产生预应力筋的滑移和断裂现象,并且应构造简单、加工方便、体积较小、成本较低,全部零件可换性好、使用方便。后张法所使用的锚具种类很多,各种都具有一定的适用范围,按其使用的锚具常分为:锚固单根钢筋的锚具、锚固成束钢筋的锚具和锚固钢丝束的锚具等。

1.单根钢筋锚具

单根粗钢筋的预应力筋,如果采用一端张拉,则在张拉端采用螺丝端杆锚具,固定端采用帮条锚具或镦头锚具;如果采用两端张拉,则两端均应采用螺丝端杆锚具。

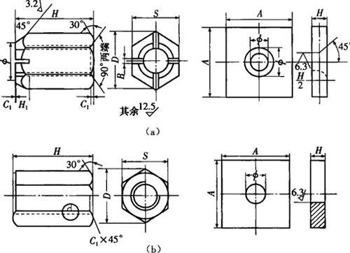
(1)螺丝端杆锚具

螺丝端杆锚具由螺丝端杆、螺母及垫板组成,如图6-16所示,这是单根预应力粗钢筋张拉端常用的锚具。其适用于直径不大于36mm的冷拉钢筋的锚固。此锚具也可作为先张法夹具使用,电热张拉时也可以采用。

图6-16 螺丝端杆锚具

1-螺丝端杆;2-螺母;3-垫板;4-焊接接头;5-钢筋

螺丝端杆锚具是将螺丝端杆与预应力筋对焊成一个整体,用张拉设备张拉螺丝杆,用螺母锚固预应力筋,具有施工简便、锚固可靠等优点。螺丝端杆锚具的强度,不得低于预应力筋的抗拉强度实测值。

螺丝端杆可采用与预应力筋同级别冷拉钢筋制作,也可采用冷拉或热处理45号钢制作。螺杆的长度一般为320mm,当构件长度超过30m时,一般为370mm;其净截面积应大于或等于所对焊的预应力筋截面面积;螺丝端杆与预应力筋的焊接,应在预应力筋冷拉以前进行,以便检验焊接质量;冷拉时螺母的位置应在螺丝端杆的端部,经冷拉后螺丝端杆不得发生塑性变形。

(2)帮条锚具

帮条锚具由衬板和三根帮条焊接而成,如图6-17所示,是单根预应力粗钢筋非张拉端的锚具。衬板宜采用30号钢,帮条宜采用与预应力筋同级别的钢筋。帮条安装时,三根帮条应互成120°角,其与衬板相接触的截面应在一个垂直平面上,以免受力时产生扭曲。帮条的焊接可在预应力筋冷拉前或冷拉后进行,施焊方向应由里向外,引弧及熄弧均应在帮条上,严禁将地线搭在预应力筋上引弧,并严禁将地线搭在预应力筋上。

图6-17 帮条锚具示意图

1-帮条;2-衬板;3-预应力筋

常用的帮条规格尺寸见表6-7。

表6-7 帮条与焊缝的尺寸mm

(3)精轧螺纹钢筋锚具

精轧螺纹钢筋锚具由垫板和螺母组成,是一种利用与该螺纹匹配制螺母锚固的支承式锚具。主要适用于锚固直径25~32mm的高强度精轧螺纹钢筋。

螺母分为平面螺母和锥面螺母两种。锥面螺母可通过锥体与锥孔的配合,保证预应力筋的正确对中;开缝的作用是增强螺母对预应力筋的夹持能力。垫板也相应地分为平面垫板和锥面垫板两种,其形式如图6-18所示。

图6-18 精轧螺纹钢筋锚具垫板形式

(a)锥面螺母与垫板;(b)平面螺母与垫板

(4)单孔夹片锚具

单孔夹片锚具是由锚环与夹片组成。夹片的种类很多,按片数不同可分为三片式与二片式;按开缝形式不同可分为直开缝与斜开缝。单孔夹片锚具如图6-19所示。

图6-19 单孔夹片锚具

(a)组装图;(b)锚环;(c)三片式夹片;(d)二片式夹片;(e)斜开缝夹片

1-钢绞线;2-锚环;3-夹片

2.预应力筋束、钢绞线锚具

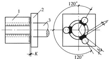
预应力筋束锚具,又称为多孔夹片锚固体系(群锚),是在一块多孔的锚板上,利用每个锥形孔装一副夹片夹持一根钢筋或钢绞线的一种楔紧式锚具。这种锚具在现代预应力混凝土工程中广泛应用,其主要产品有:XM型锚具、QM型锚具、QVM型锚具和BS型锚具等。

(1)XM型锚具

XM型锚具由锚板和夹片组成。锚板的尺寸由锚孔数确定,锚孔沿锚板圆周排列,中心线倾角为1∶20;与锚板顶面垂直;夹片为120°均分斜开缝三片式,开缝沿轴向的偏转角与钢绞线的扭角相反。

XM型锚具适用于锚固3~37根Φ15钢绞线束或3~12根7Φ5钢丝束,如图6-20所示。其特点是每根钢绞线都是分开锚固的,任何一根钢绞线的锚固失效(如钢绞线拉断、夹片破裂等),不会引起整束锚固的失效。

图6-20 XM型锚具

(a)装配图;(b)锚板

XM型锚具可作工具锚与工作锚使用。当用于工具锚时,可在夹片与锚板之间涂抹一层固体润滑剂(如石蜡、石墨等),以利于夹片的松脱。当用于工作锚时,具有连续反复张拉的功能,可用于行程不大的千斤顶张拉任意长度的钢绞线。

(2)QM型锚具

QM型锚具与XM型锚具一样,也是由锚板与夹片组成,如图6-21所示。它与XM型锚具不同之处是:锚孔是直的,锚板顶面是平的,夹片垂直开缝,备有配套喇叭形铸铁垫板与弹簧圈等。由于灌浆孔设在垫板上,锚板的尺寸可稍小一些。

QM型锚具适用于锚固4~31根Φ12.7钢绞线和3~10根Φ15钢绞线。QM型锚具配有自动工具锚,张拉和退出十分方便,并可减少和安装工具锚所花费的时间。

图6-21 QM型锚具及配件

1-锚板;2-夹片;3-钢绞线;4-喇叭形铸铁垫板;5-弹簧圈;6-预留孔道用的螺旋管;7-灌浆孔

(3)QVM型锚具

QVM型锚具是在QM型锚具的基础上,加以改进发展起来的一种新型锚具,其与QM型锚具的不同之处是:夹片改用二片式直开缝,操作更加方便,如图6-22所示。

图6-22 QVM型锚具及配件

(4)BS型锚具

BS型锚具锚下采用钢垫板、焊接喇叭管与螺旋筋,灌浆孔设置在喇叭管上,并由塑料管引出。适用于锚固3~55Φj15钢绞线。其构造如图6-23所示。

图6-23 BS型锚固体系

3.预应力钢丝束锚具

在后张法施工中,用于预应力钢丝束的锚具,主要有锥形螺杆锚具、钢丝束镦头锚具和钢质锥形锚具等。

(1)锥形螺杆锚具

锥形螺杆锚具由锥形螺杆、套筒、螺母、垫板组成(图6-24),适用于锚固14~28根Φs5钢丝束。使用时,先将钢丝束均匀整齐地紧贴在螺杆锥体部分,然后套上套筒,用拉杆式千斤顶使端杆锥通过钢丝挤压套筒,从而锚紧钢丝。由于锥形螺杆锚具不能自锚,必须事先加力顶压套筒才能锚固钢丝,锚具的预紧力为张拉力的120%~130%。

图6-24 锥形螺杆锚具

1-钢丝;2-套筒;3-锥形螺杆;4-垫板;5-螺母;6-排气槽

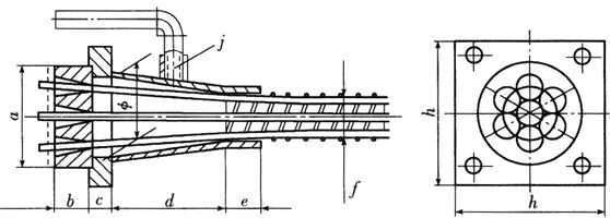
(2)钢丝束镦头锚具

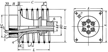
钢丝束镦头锚具适用于任意根数Φs5钢丝束。镦头锚具的类型与规格,可根据需要由施工单位自行设计。常用的镦头锚具为A型和B型(图6-25)。A型镦头锚具由锚环和螺母组成,用于张拉端;B型镦头锚具为锚板,用于固定端,利用钢丝两端的镦头进行锚固。

图6-25 钢丝束镦头锚具

1-A型锚环;2-螺母;3-钢丝束;4-B型锚板

锚环与锚板均采用45号钢制作,螺母采用30号钢或45号钢制作。锚环与锚板上的孔数由钢丝根数而定,孔洞间距应力求准确,尤其要保证锚环内螺纹一面的孔距准确。锚环内外壁均有丝扣(螺纹),内螺纹用于张拉螺杆,外螺纹用于拧紧螺母锚固钢丝束。钢丝镦头要在穿入锚环或锚板后进行,镦头采用钢丝镦头机冷镦而成。对镦头的技术要求:镦粗头的直径为7.0~7.5mm,高度为4.8~5.3mm,头部应圆整,不偏歪,颈部母材不受损伤,钢丝的镦头强度不得低于钢丝标准抗拉强度的98%。

预应力钢丝束张拉时,在锚环内口拧上工具式拉杆,通过拉杆式千斤顶进行张拉,然后拧紧螺母将锚环固定。钢丝束镦头锚具构造简单、加工容易、锚固可靠、施工方便,但对钢丝的下料长度要求较严,尤其当锚固的钢丝根数较多时,其长度的准确性和一致性要求更高,这将直接影响预应力筋的受力状况。

(3)钢质锥形锚具

钢质锥形锚具又称弗氏锚具,由锚环和锚塞组成(图6-26),适用于6根、12根、18根和24根Φs5钢丝束。钢丝均匀分布在锚环锥孔内侧,由锚塞塞紧锚固。锚环采用45号钢制作,锚塞采用45号钢或T7、T8碳素工具钢制作。锚环内孔的锥度应与锚塞的锥度一致,锚塞上刻有细齿槽,以夹紧钢丝防止滑动。锚环与锚塞配套时,锚环锚形孔与锚塞的大小头只允许出现正偏差或负偏差。

图6-26 钢质锥形锚具

1-锚塞;2-锚环;3-钢丝束

(二)张拉千斤顶

后张法张拉时所用张拉设备(千斤顶),与先张法基本相同。关键是在施工时应根据所用预应力筋的种类及其张拉锚固工艺情况,选用适合的张拉设备,以确保施工质量。在选用时,应特别注意以下三点:

(1)预应力筋的张拉力,不得大于设备的额定张拉力;

(2)预应力筋的一次张拉伸长值,不得超过设备的最大张拉行程;

(3)当一次张拉不足时,可采取分级重复张拉的方法,但所用的锚具与夹具应适宜重复张拉的要求。

锥形螺杆锚具、钢丝束镦头锚具,宜采用拉杆式千斤顶或穿心式千斤顶(YC60)张拉锚固;钢质锥形锚具,宜采用锥锚式双作用千斤顶(YZ60)张拉锚固。

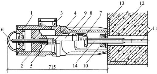
1.拉杆式千斤顶

拉杆式千斤顶(图6-27)适用于张拉以螺纹端杆锚具为张拉锚具的粗钢筋,张拉以锥形螺杆锚具为张拉锚具的钢丝束。

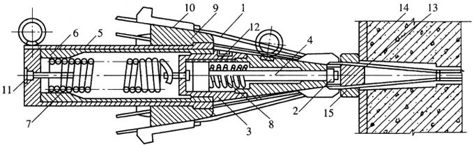
图6-27 拉杆式千斤顶构造示意图

1-主缸;2-主缸活塞;3-主缸油嘴;4-副缸;5-副缸活塞;6-副缸油嘴;7-连接器;8-顶杆;9-拉杆;10-螺母;11-预应力筋;12-混凝土构件;13-预埋钢板;14-螺纹端杆

拉杆式千斤顶张拉预应力筋时,首先使连接器与预应力筋的螺纹端杆相连接,顶杆支撑在构件端部的预埋钢板上。当高压油进入主缸时,油压则推动主缸活塞向左移动,并带动拉杆和连接器以及螺纹端杆同时向左移动,对预应力筋进行张拉。当达到规定的张拉力时,拧紧预应力筋的螺母,则可将预应力筋锚固在构件的端部。高压油再进入副缸,推动副缸使主缸活塞和拉杆向右移动,使其恢复初始位置。此时主缸中的高压油流回到高压泵中,则完成一次张拉过程。

2.穿心式千斤顶

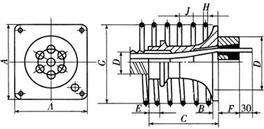
YC60型穿心式千斤顶是目前预应力混凝土施工中应用较多的张拉机械,其构造如图6-28所示。沿千斤顶纵轴线设有一穿心通道,供穿过预应力筋用;沿千斤顶的径向分内外两层油缸,外层油缸为张拉油缸,工作时张拉预应力筋;内层为顶压油缸,工作时进行锚具的顶压锚固,所以称为穿心式双作用千斤顶。

图6-28 YC60型穿心式千斤顶构造示意图

1-张拉液压缸;2-顶压液压缸(即张拉活塞);3-顶压活塞;4-弹簧;5-预应力筋;6-工具式锚具;7-螺母;8-工作锚具;9-混凝土构件;10-顶杆;11-拉杆;12-连接器;

Ⅰ-张拉工作油室;Ⅱ-顶压工作油室;Ⅲ-张拉回程油室;

A-张拉缸油嘴;B-顶压缸油嘴;C-油孔

YC60型穿心式千斤顶张拉力为600kN,最大行程为150mm,加装撑脚、张拉杆和连接器后,就可以张拉以螺纹端杆锚具为张拉锚具的单根粗钢筋,张拉以锥形螺杆锚具和DM5A型镦头锚具为张拉锚具的钢丝束。YC60型穿心式千斤顶增设顶压分束器,就可以张拉以KTZ型锚具为张拉锚具的钢筋束和钢绞线束。

3.锥锚式双作用千斤顶

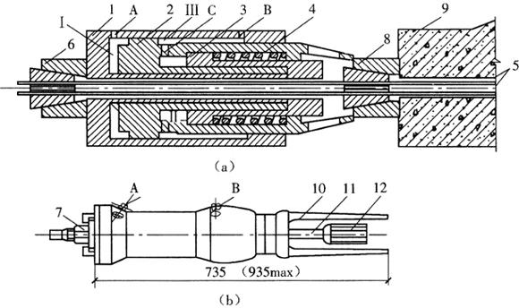
锥锚式双作用千斤顶的构造如图6-29所示。其主缸和主缸活塞用于张拉预应力筋,主缸前端缸体上有卡环和销片,用以锚固预应力筋。主缸活塞为一中空筒中的活塞,中空部分设有拉力弹簧。副缸及副缸活塞用于预压锚塞,将预应力筋锚固在构件的端部。

图6-29 锥锚式双作用千斤顶的构造示意图

1-预应力筋;2-顶压头;3-副缸;4-副缸活塞;5-主缸;6-主缸活塞;7-主缸拉力弹簧;8-副缸压力弹簧;9-锥形卡环;10-楔块;11-主缸油嘴;12-副缸油嘴;13-锚塞;14-构件;15-锚环

在建筑工程上常用的锥锚式双作用千斤顶为YZ60型,其顶拉力为600kN,最大张拉行程为200mm。

YZ85型锥锚式千斤顶是一种具有张拉、顶锚与退楔的三作用千斤顶,其最大张拉力为850kN,最大张拉行程为250mm。

随便看

 

离鸟网收录3541549条中英文词条,其功能与新华字典、现代汉语词典、牛津高阶英汉词典等各类中英文词典类似,基本涵盖了全部常用中英文字词句的读音、释义及用法,是语言学习和写作的有利工具。

 

Copyright © 2004-2024 vtrois.com All Rights Reserved
更新时间:2026/4/20 7:14:26