变压器并联运行时必须满足下列条件:
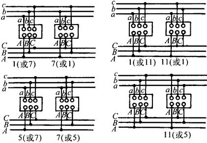
(1)各变压器连接组标号中的数字要相同(即线圈结线组别相同)。连接组标号中的数字可归纳为:4、8、12;2、6、10;1、5和7、11四组。同一组中的数字不同的变压器,将相应端子的标志变换后,命名连接组标号中的数字相同,仍可并联运行。1、5和7、11两类的并联运行,其端子的改接方法见图4-3。

图4-3 变压器并联端子连接图
Ixh取正号,变压器B中取负号;
InA、InB——变压器A和B的额定二次线电流(A);
UzA、UzB——变压器A和B的阻抗电压(%)。
属于不同组的两台变压器是不能并联运行的。
(2)在允许偏差范围内,各变压器的电压比要相等,否则变压器空载时,并联的二次线圈中将产生循环电流Ixh:

式中 UA、UB——变压器A和B二次线电压,若UA>UB,则在变压器A中
(3)在允许偏差范围内,各变压器的阻抗电压要相等,否则并联的变压器内负载分配将不合理。并联运行时总的负载电流I在变压器A和B中的分配可按下式计算:

式中 SnA、SnB——变压器A和B的额定容量,通常
≤3;
uzA、uzB——变压器A和B的阻抗电压(%)。