网站首页  词典首页


请输入您要查询的字词:

 

字词 变、配电所的防雷保护
类别 中英文字词句释义及详细解析
释义

变、配电所的防雷保护


1.防直击雷

应首先利用建筑物群中的高耸建筑物上设置的避雷针,使变配电所在其保护范围之内。若不能达到要求,则室内电气装置可在建筑物上设置避雷带进行保护。室外电气装置,则设避雷针杆塔予以保护。贮存易燃、易爆物料的场所和露天设施均应在保护范围内。同时,还应考虑以下两点要求:

(1)独立避雷针设独立接地设施,接地电阻不超过10Ω。独立避雷针不应设置在有人经常通行的地方,一般离道路或出入口3m以上,否则采取均压措施或铺设沥青路面,以保证人身安全。严禁在安装避雷针的构架上架设通信线路或电力线路,装在避雷针构架上的照明线必须利用直接埋入地下的有金属外皮的电缆或穿钢管的导线,埋设10m以上才能引入室内。

若设置独立接地装置有困难,该接地装置可与主接地网相连,但避雷针与主接地网的地下连接点至35kV及以下设备与主接地网的地下连接点沿接地极长度不应小于15m。

(2)为了防止反击,独立避雷针与被保护物在空间的距离不应小于5m,地下接地设施间的距离不应小于3m。

2.防雷电波侵入

为了防止近区内雷击闪路,雷电侵入变配电所,应采取以下措施:

(1)架空进线的变配电所。全线未架设的避雷线的35~110kV架空进线,在近变电所1~2km处的进线段架设避雷线,避雷线的保护角一般不超过20°,最大不超过30°。若35~110kV进线隔离开关或断路器在雷季经常断路运行,同时其线路侧又带电,则在靠近隔离开关或断路器处装设一组管型避雷器GB。GB外间隙值的整定为:应在断路运行时,能可靠保护隔离开关或断路器;闭路运行时不应动作。若没有适当参数的管式避雷器,可用阀型避雷器(35kV架空进线防雷措施见图11-18)。

图11-18 35kV架空进线变电所的防雷措施

FZ为阀型避雷器;GB为管型避雷器

(2)电缆进线的变配电所。电缆与架空线的连接处装设阀型避雷器,其接地端与电缆金属外皮相连,三芯电缆末端的金属外皮直接接地(见图11-19a),单芯电缆则经空气间隙或无间隙金属氧化物电缆保护层保护器(YWDL)接地(见图11-19b)。

图11-19 35~110kV电缆进线变电所的防雷措施

a.三芯电缆进线 b.单芯电缆进线

FZ1、FZ2为阀型避雷器;JX为保护间隙;YWDL为无间隙金属氧化物电缆保护层保护器

当电缆长度不超过50m,或虽超过50m但经验说明装设一组阀型避雷器能符合要求时,可只在电缆首端或母线上装设一组阀型避雷器。

当电缆长度超过50m,且断路器在雷季可能经常断路运行,则在电缆末端装设管型避雷器或阀型避雷器,连接电缆段的1km架空线路应架设避雷线。

电缆线路:变压器组接线的变电所可不装阀型避雷器,其雷电冲击全波耐受电压对于35kV、66kV及110kV的变压器分别为200kV、325kV及480kV。

(3)变配电所的母线,每组母线上装设阀型避雷器。每路进线根据重要性和进线路数等具体条件决定是否装设避雷器。进线隔离开关或断路器在雷雨季可能经常断路运行,同时线路又带电,则须在隔离开关或断路器附近必须装设管型或阀型避雷器。

(4)不接地。消弧线圈接地和高电阻接地的变压器中性点一般不装设保护装置,但多雷区单进线变电所且变压器中性点引出时,宜装设保护装置;中性点接有消弧线圈的变压器,如有单进线运行可能,则在中性点装设保护装置。该保护装置可选用有串联间隙金属氧化物避雷器、碳化硅普通阀型避雷器或无间隙金属氧化物避雷器。

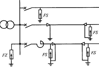
(5)变电所的3~10kV配电装置及电力变压器。在每组母线和每路架空进线上装设阀型避雷器(见图11-10)。母线上的避雷器与3~10kV变压器间的最大电气距离见表11-10。若各架空进线都有电缆段,避雷器与变压器的最大电气距离可不受表11-10中的数值限制。

图11-20 3~10kV配电装置防雷措施

FZ、FS为阀型避雷器

表11-10 母线上的避雷器与3~10kV变压器间的最大电气距离

3~10kV配电所,如无所用变压器,可仅在每路进线上装设阀型避雷器或管型避雷器。

有电缆段的架空线,避雷器应装在电缆头附近,其接地端应和电缆金属外皮相连。避雷器以最短的接地线或通过电缆金属外皮与变配电所的主接地网连接,并在避雷器附近装设集中接地设施。

3.工业与民用供电系统常用变压器的保护

工业与民用供电系统中常用的变压器大都不超过5000kVA,而且不超过2台。对于这类的变电所,可采取一些简化措施:

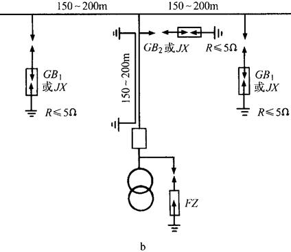
(1)3150~5000kVA变电所的35kV侧,若雷电活动不太强或非重要负荷,可采用图11-21中的接线方法,将进线段避雷线的长度减至500~600m,其首端可用管型避雷器GB1,也可用保护间隙JX,其接地电阻不应超过5Ω。

图11-21 3150~5000kVA变电所35kV侧的防雷措施

FZ为阀型避雷器 GB1、GB2为管型避雷器 JZ为空气间隙

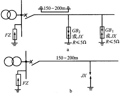
(2)3150kVA及以下的变电所,当其供电负荷不足时,35kV侧可采用简化接线(图11-22a);当容量不大于1000KVA,则采用图11-22b的接线方法。

图11-22 3150kVA及以下变电所供电给非重要负荷时35kV侧的简化防雷措施

a.当变压器的容量在1000~3150kVA之间时 b.当变压器的容量为1000kVA及以下时

FZ为阀型避雷器 GB1、GB2为管型避雷器 JX为空气间隙

(3)3150kVA及以下35kV非重要负荷的分支变电所可采用图11-23所示保护措施。

图11-23 3150kVA及以下,供电给非重要负荷的分支变电所的35kV侧防雷措施

a.在给变压器供电线路分支点两侧设有架空避雷线 b.在变压器供电线路上设有架空避雷线

图11-21~图11-23中的避雷器、变压器和电流互感器的最大电气距离不超过10m。

随便看

 

离鸟网收录3541549条中英文词条,其功能与新华字典、现代汉语词典、牛津高阶英汉词典等各类中英文词典类似,基本涵盖了全部常用中英文字词句的读音、释义及用法,是语言学习和写作的有利工具。

 

Copyright © 2004-2024 vtrois.com All Rights Reserved
更新时间:2026/4/21 9:09:58