网站首页  词典首页


请输入您要查询的字词:

 

字词 华生 行为主义 1924(1)
类别 中英文字词句释义及详细解析
释义

华生 行为主义 1924(1)


约翰·华生(J.B.Waston,1878~1958)是美国着名的心理学家和行为主义心理学的创始人。他生于美国南卡罗琳纳州的格林威尔城外的一个农庄。华生于1890年进入公立学校接受中学教育,1894年进入格林威尔的伏尔曼大学学习,5年后获得硕士学位。因对哲学感兴趣,1900年到芝加哥大学师从穆尔(A.W.Moore)和杜威(J.Dewey)继续学习哲学。后来又因受到安吉尔(J.R.Angell)的影响,开始对心理学发生兴趣。1903年以《动物教育:白鼠的心理发展》一文,获得博士学位。毕业后留芝加哥大学任教,继续主持动物心理实验室工作。1908年接受鲍德温(J.M:Baldwin)的邀请,就任霍布金斯大学教授,并指导心理学实验室工作。在芝加哥大学期间,华生因与安吉尔和杜威来往密切,深受他们的机能主义心理学思想的影响。到了霍布金斯大学以后,华生开始考虑对心理学进行比较客观的研究,逐渐形成和发展了他的行为主义心理学。关于这一思想,最初是华生于1908年在耶鲁大学的一次演讲中首次提出的,1912年他应卡特尔(J.M.Cattell)的邀请,在哥伦比亚大学的讲演中,再次表露了行为主义的心理学观点。1913年华生发表了《行为主义者所认为的心理学》一文,被认为是行为主义心理学正式诞生的宣言。随后,他于1914年又发表了《行为:比较心理学导论》一书,其中的行为主义心理学的体系已初具规模。华生提出的行为主义心理学,被认为是心理学中的一场革命,引起了许多年轻一代心理学家的积极响应。他本人也因此于1915年当选为美国心理学会主席。但由于第一次世界大战的爆发,华生暂时中断了他的专业研究,而到军事航空服务社工作。战后,华生于1919年出版了他的《行为主义者观点的心理学》一书,该书第一次系统地阐明了行为主义心理学的理论体系。1920年由于一场离婚风波,华生不得不辞去霍布金斯大学的教授职务,从而转向商业广告工作。在整个20年代,华生仅向一般民众宣传他的行为主义。1924年把他所作的一些讲演汇编成《行为主义》一书出版。1928年出版了《婴儿和儿童的心理护理》和《行为主义的方法》两本书。此外,这一年他与麦独孤合作出版了《行为主义的争论》一书。1930年他又重新修订了他的《行为主义》一书,该书是他的最后一本心理学着作,也是他对行为主义观点的最后阐述。他在书中提出了积极改良社会的计划。从此,他便完全脱离了心理学。该书的中译本由陈德荣译成《华生氏行为主义》,商务印书馆1933年出版。下文的提要即以该书的中译本为依据。

由于华生对现代心理学所产生的巨大影响,1957年美国心理学会对华生进行了嘉奖。1981年在美国心理学会的年会上,还组织了一次讨论“华生的生活、时代和研究”的专题会议。1979年在华生诞生100周年时,他的母校伏尔曼大学举行了隆重的纪念大会,参加的代表多达2000余人,斯金纳(B.F.Skinner)等一批着名的心理学家被邀请作讲演。1984年在伏尔曼大学校庆时,华生的事迹又被送到南卡罗琳纳州的科学和技术会堂永久展示。

第1章行为主义是什么。在现代美国的心理学思想中,还是两个相反的观点占优势,它们分别是内省的或主观的心理学和行为主义或客观的心理学。前者的代表人物是铁钦纳(E.B.Titchener)和詹姆士(W.James),他们都主张意识是心理学的研究题材。行为主义则主张心理学的研究题材是人类的所有行为。德国的实验心理学创始人冯特(W.Wundt)即主张内省心理学,他用“意识”代替“灵魂”,用内省法分析意识的内容。到了1913年,客观的心理学家或行为主义者再也不愿去做冯特式的研究了。他们认为,自从冯特建立其实验室以来,心理学已经毫无成绩地空度了30年。这足以证明德国式的内省心理学是建立在错误的基本假设之上的——包含着宗教的身心问题的心理学,再也不能得到可以证实的结论了。所以他们认为,如果不把心理学取消,就要把它变成一种自然科学。行为主义者首先要努力使“心理学的研究题材和方法”与“物质科学的研究题材和方法”一致,去掉一切主观的名词,如感觉、知觉、意像、欲望、目的……,甚至思维和情感两个名词,如果把它们当作含有主观的意义,也要将其去掉。行为主义者把研究的重点放在我们能观察到的东西上面,并且在这些东西上面寻找其规律。我们所能观察的东西是行为——有机体所做的或所说的。所谓说就是做,就是去发生行为。大声地说话或只沉默地对着自己说(思维),它们是一种客观的行为,犹如打棒球一样。行为主义者的准绳或测量尺度是:能不能用“刺激一反应”的公式来描述我们所看到的那种行为?所谓刺激是指外界环境中的任何东西以及身体里面的组织之中所起的任何变化。后一种刺激,如我们不让动物发生性行为或不让它吃食物时,它身体里面所起的变化。所谓反应是指动物所做的任何动作——如转向一束光线,离开一束光线;听到一个声音所发生的惊跳;以及较高级的有复杂组织的动作,如建造一座高楼大厦,绘图画,抚养小孩等。反应可分为“体外的”和“体内的”,或者称为“明显的”和“潜伏的”,也可称为“学习的”和“非学习的”,还可以按感官的名称分为视觉的非学习反应,听觉的学习反应等等。总之,行为主义是一门以人类行为为其研究对象的自然科学,它的最亲密学科是生理学。行为主义心理学的任务是预测和控制人类的行为。它需要用实验的方法来搜集科学的材料。只有训练有素的行为主义者,才能够在有了一定的刺激时,预测出所要发生的反应来;在有了一定的反应时,推知出那种引起这个反应的情境或刺激。

第2章如何研究人类的行为。人们为什么做出他们日常所做的行为?作为一个行为主义者做科学的研究,如何才能使人们今天所做的和昨天所做的不同?我们能通过练习(条件反射)而将行为改变到什么程度?这些都是行为主义心理学的几个重要问题。行为主义者要科学地回答这些问题,就必须同其他任何科学家一样去做观察工作,心理学的观察分为非实验的观察和实验的观察。条件反射法是心理学的常用方法,我们能够将一切心理学问题及其解决纳入到刺激和反应的规范之中。如果用S代替刺激(或比较复杂的情境),用R代替反应(或比较复杂的行为),则可以把心理学问题简化为下面的公式:

S………………R

有了 ?(要找出)

S………………R

?(要找出) 有了

如果问题已经解决了,则公式又变为:

S………………R

已找到了 已找到了

心理测验也是行为主义的方法,不过,在行为主义者看来,各种心理测验只是一些——在现在还是很不妥当的方法——我们仅可以用来将人类的行为分等级而已。此外,社会实验也是心理学的一种补充的方法。

第3章人类的身体,第1部分使行为成为可能的身体构造。行为主义者认为,了解一些身体的构造与机能是必要的。生理学研究身体是一部分一部分地研究的,如研究消化器官、循环器官、呼吸器官、神经器官等。行为主义者所要研究的是整个身体的活动,把重点放在整个有机体的适应之上,而不把重点放在身体各个部分的动作之上。我们人类的身体是由一个细胞发展而成的,这个细胞含有父母两个人的基因,由许多极微细的微分子结合而成为一种构造名为染色体,可以用显微镜看出来。最初那个细胞开始分裂之后,所分裂出来的新细胞在形式上和功能上都不相同,而且还错综复杂起来以成为各种组织。我们身体上所有的一切器官如皮肤、心、肺、脑、肌肉、胃、腺体等,都是由4种基本组织发生各种结合而成的。一是将身体包裹起来以及将一切孔隙裹起来的细胞,二是构成支持及连接身体各个部分组织的细胞,三是构成我们肌肉组织的细胞,四是神经细胞与神经组织。这些基本的组织集合起来便成为身体上的各种器官。各种器官的分类为:感觉器官、反应器官和神经系统。感觉器官是各种刺激作用于我们身体的地方,各种感觉器官及其所接受的刺激如下:

在适宜的刺激作用于特定的感觉器官时,会发生什么呢?在表皮细胞中,有某种化学的和物理的变化发生。我们把此时构成感觉器官的这些表皮细胞看作物理化学的工作场所。这种在感觉器官之中,受到刺激所引起的物理化学作用,也会唤起另外一种作用。在那种与表皮细胞相接触的神经末梢中,唤起一种神经冲动;这种神经冲动又由一链神经原而传入到中枢神经(即大脑和脊髓),后又传出至肌肉或腺体(反应器官)。反应器官包括三类:横纹的或骨骼的肌肉系统、无纹的或平滑的肌肉系统和腺体系统。我们的身体主要是由横纹的和骨骼的肌肉系统构成的。我们只要把皮肤剥开,就可以看见一层一层的横纹肌肉。它们的排列错综复杂,但它们当中的每一个都有特定的机能。心理学家通常把这种肌肉称为“随意”(voluntary)肌肉,也就是说,它们是受“意志”所支配的。平滑的或无纹的肌肉系统主要构成我们身体内部的各种器官即内脏系统,它们在行为主义心理学中占有重要的地位,因为内部器官所发生的变化往往可以作为刺激而引起多种整个身体所发生的大量反应;而在我们所有的反应之中,又往往有我们不能用语言去说出其原因的,那么此时我们恐怕就要寻找内脏系统中的原因了,即内脏中的各种器官所发生的形状的、体积的、或化学的变化。

第4章人类的身体,第2部分腺体在日常行为中所起的作用。最初一般人不会认为腺体是很重要的反应器官。我们把腺体分为有管腺和无管腺两种。有管腺都有一个小口或小孔通到身体外面去如汗腺或将其通到内脏有空的器官之中如唾腺。有管腺的反应在人类行为中是很重要的,我们之所以有那些所谓高级的行为,都恐怕是被这些下级的分泌物所支配着的。无管腺有时也称为内分泌器官。近年来,生理学和医学已对有趣而又不容易明了的无管腺的构造作了大量的努力与思考。最重要的内分泌腺是甲状腺、肾上腺、脑垂腺、松果腺和所谓的青春腺(puberty gland)等。

第5章人类有什么本能,第1部分论才能、趋向和所谓“心理”特质的遗传问题。人类是一种动物,生来便有一定形式的构造。有了这样的构造,在他生下来时就以一定的方式对一些刺激作出反应,如呼吸、心跳、打喷嚏等。我们把这组反应称为“非学习的行为”。在这组相对简单的人类反应中,没有对应于现代心理学家和生物学家所谓的“本能”。因此,在我们看来,并没有本能这东西——心理学再不要本能这个词了。我们今天习惯上称为“本能”的东西,大多数都是练习的结果——属于人类的“学习行为”。由此我们可以推论出这样的结论:没有遗传的才能、气质、性情及特性。这些东西依赖于从摇篮就开始的练习。行为主义者不会说:“他之所以成为一个好的击剑手,是因为遗传了他父亲的才能或才智。”行为主义者则要说:“这个儿童具有他父亲一样的小巧身材,又有了他父亲一样的眼睛。他的体格实在很像他的父亲。他的身材体格也正是一个击剑手的体格”。行为主义者还要说:“——而且他父亲很喜欢他,在他1岁时就给他一把小剑。以后在他与父亲一起走路时,他父亲就向他讲击剑的游戏、进攻和防御、决斗规则以及诸如此类的话。”有了某种身体的构造,再加上较早的训练——使他偏向了——就可以说明成人的作为了。现在能确知的都是构造上的遗传,而构造上的遗传并不能证明机能上的遗传。至于心理特质或倾向能否遗传?行为主义者从根本上就不承认有诸如心理特质或倾向之类的东西,因此,在他看来,把才能遗传这个问题以旧的形式提出来,实在是没有意义的。构造上的差异和幼年时期训练上的差异就足以说明后来行为上的差异。关于心理特质的遗传,我们实在没有可靠的证据。我完全相信,即使是骗子、杀人犯、盗贼、妓女所生的孩子,也可以将其培养成健康和善良的人。我还敢进一步说:“如果给我一打强健而没有缺陷的婴儿,让我放在我自己的特殊世界中教养,我将保证从中随机抽取任何一个孩子,都可以培养成我所选择的任何一类专家——医生、律师、艺术家、商界领袖,甚至也可以培养成乞丐或盗贼,尽管其才能、嗜好、倾向、能力、职业和祖先的民族不同”。

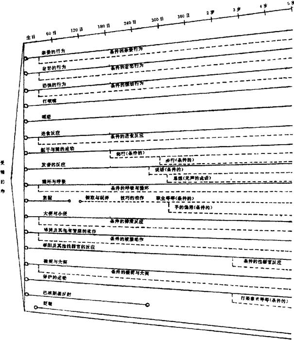
第6章人类有什么本能,第2部分关于人类幼儿研究告诉了我们什么。大多数关于人类的非学习资具(equipment)问题,只能通过人类生活史的研究来解决。这就意味着要从研究人类的新生儿开始。但不幸的是,我们现在对人类幼儿的了解还不如我们对其他各种动物幼儿的了解多。关于人类的幼儿和儿童在最初的几年中所发生的动作是如何的,我们直到最近还没有获得什么可靠的资料。研究人类幼儿的行为的确有很大的阻力。社会习惯于看见许多幼儿挨饥受饿,成长于贫窟陋巷之中,人们并不去特别关注这些事情。但是,如果硬心肠的行为主义者要对幼儿做实验研究,甚至只是开始系统观察,便会立即开始有许多批评。好在现在已经有了几个用于研究的实验托儿所。根据观察,我们发现婴儿一生下来或出生不久,就确立了所谓临床上的神经性信号或反应,诸如瞳孔对光反应、膝关节反射和许多其他反射动作。接着呼吸而产生的哭声,还有心搏和所有循环现象如血管收缩、脉搏等。在消化系统上,我们发现有吮吸、舌根运动和吞咽。在整个消化系统上,我们看见有饥饿的收缩、消化、由此而产生的腺体反应和排泄。微笑、打喷嚏和打呃动作至少有一部分是属于消化系统的。我们也发现腰、头、以及颈所发生的动作,然后出现有节律性的“攀缘”(climbing)运动。我们发现臂、腕、手所做的差不多是连续不停的动作,以及腿、踝、脚、趾所做的连续不停的动作。至于其他动作则要在以后一个时期才出现,如眨眼、抓握、偏手、爬行、站立、坐起、走路、跑步、跳跃等。至于在后面的这些动作之中,作为一个完整的动作很难说它们是由于学习或条件反射形成的。相当大的一部分无疑是由于身体构造的成长变化形成的,剩下的我们才能相信是由于学习或条件反射形成的。根据实际的观察,使我们不可能再采用本能概念了。我们由前面的研究已看到,每一种动物都有其发生史,那么我们将有关系的动作选择出来以资研究,又将这些动作之发展史进行观察,而且记录下来,难道不是唯一正确之科学的研究方法?为了使人们易于明了行为主义的中心原理,即一切复杂的行为都是由简单的反应形成或发展而来的,让我们介绍“动作流”(activity stream)概念(见图1),动作流可以代替詹姆士的意识流。

图1 动作流

这个粗略的图表示人类的一些动作系统,由简单而逐渐变为复杂。其中虚线表示每个动作系统的非学习的开始,实线表示每个动作系统如何通过条件作用而变为复杂。

第7章情绪,第1部分该领域的一般概括和一些实验研究。在过去的数年中,行为主义者已经从一个新的方向来研究情绪问题了。由于成人的情绪反应的复杂性,使行为主义者觉得,如果情绪研究要从成人的情绪开始,则将是没有希望的。因此,他不得不从婴儿开始,这样,问题便简单一些。同时,我们必须指出,从贫穷或富裕家庭随机抽取的幼儿不能作为研究情绪起源的很好被试,因为他们受过教育的行为太复杂了。幸而我们能研究孤儿院中喂养的强健幼儿,这些幼儿从刚生下来时,我们就开始对他们进行观察,观察1至3年不等,着重观察幼儿在实验室中对各种动物所起的反应。我们把幼儿放在实验室里,先用各种动物来刺激他们。我们把实验情境布置成各种形式:幼儿一个人在大房间中测试,和一个参与者一起测试,与其母亲一起测试,在一个黑暗的房间中测试。我们分别用黑猫、兔子、白鼠、小狗、鸽子等动物来刺激幼儿,然后观察其情绪反应。在我们把幼儿对于各种刺激所引起的反应全部研究过之后,我们发现人类婴儿有三种非学习的情绪反应,即害怕、愤怒、亲爱。不过,我要声明的是,我所使用的这些名词,是要把它们从前所有的旧含义一概取消。我用这些名词所代表的反应,和上一章所讲的呼吸、心跳、抓握以及别的非学习反应一样。害怕反应的表现为:呼吸的暂时停止,整个身体发生一种惊慌,啼哭,内脏也发生普遍的反应;愤怒反应表现为:张开大口,哭叫,呼吸发生较长的暂停,循环系统和其他内脏活动发生普遍的变化;亲爱的反应表现为:微笑、呼吸变化、哭声停止和其他内脏变化。成人的复杂情绪表现都是在这3种非学习的情绪反应基础上,通过条件作用而逐渐形成的。例如我们可以对一个11个月的男孩阿尔伯特形成条件害怕反应,即对白鼠形成敲击金属棒声音的条件反射。条件化的情绪反应具有扩散和迁移的作用。这样,我们的情绪反应就可以达到十分复杂的程度,甚至可以达到小说家和诗人所描述的那样复杂的情绪的境界。可见,我们的各种情绪的形成和我们大多数其他的反应模式的形成一样。通常,人们认为象情绪这样的复杂反应模式完全是遗传而来的,其实,我们并找不出什么证据足以证明这一看法,犹如找不出证据足以证明那些被称为是本能的反应模式为遗传的一样。

第8章情绪,第2部分进一步实验和观察我们如何获得、改变和失去我们的情绪生活。用来消除害怕反应的各种方法如下:先用许多种能引起害怕反应的情境,一一拿来刺激各个不同年龄的儿童,观察他们有什么害怕情绪反应。我们相信这些反应是由于条件作用而产生的。那么,现在由于用各个情境来刺激每一个幼儿,我们不但能够找出每一个小孩所有的最明显的条件害怕反应,我们还能够找出那些引起害怕反应的刺激物(一般的情境也可以找出)。然后我们就可以采取不使用刺激的方法、语言组织的方法(对年龄较大的儿童使用)、频繁使用刺激的方法和介入社会因素的方法来消除害怕反应。最后一种方法是让一个儿童观看别的儿童玩他所害怕的动物。当然,至今人们发现最有效的消除害怕反应的方法是“重复条件作用”(reconditioning)和“解除条件作用”(unconditioning)方法。什么刺激会使儿童哭和笑呢?琼斯博士曾观察一组9个儿童,从他们早晨一醒来到晚上熟睡为止。发现儿童哭的12种情境是:1.坐在马桶上,2.所有物被拿去,3.洗脸,4.单独关在房间,5.大人从他的房间离开,6.做着不会收效的事情,7.不能同大人或别人的儿童一起游戏或看着他们游戏,8.穿衣服,9.大人不抱他,10.脱衣服,11.洗澡,12.擦鼻涕。儿童笑的7种情境是:1.被人逗着玩,2.与别的儿童一起奔跑、追逐、游戏,3.玩玩具(球是特别有效的玩具),4.嘲弄别的儿童,5.看别的儿童玩耍,6.创造新的东西而又有好的成绩(如把玩具和器具拼起来或做别的玩具),7.在钢琴上弄出多少有点音乐的声音,或用一只口琴吹着、唱着。能否用体罚来培养消极的情绪?鞭打身体的习俗自古有之,但我认为,惩罚儿童实在不是一种科学的方法,而是一种毫无益处的方法。教育的方法应该是先破除儿童旧的习惯,然后教以新行为。现在对罪犯所用的惩罚方法也是黑暗时代的产物。罪犯大多数都是缺乏社会训练者,应该把他们送到能够训练的地方或学校中去,使其学习一种职业,享受到文化的熏陶,使他们成为一种合于社会的人。不过,在训练期间一定要把他们放在不能伤害别人的地方。我们可以完全取消刑法(但不取消警察),刑事律师、刑事诉讼以及刑事法庭自然也要取消。许多有名的法学家都很赞同这样的观点。当然,如果不是将所有的法律书籍烧掉,不是所有的律师和法学家都变成行为主义者,那么现在施与犯人的报复理论或惩罚理论(一种宗教理论),将永远不会让位于根据条件化情绪反应之形成和破坏的科学理论。此外,行为主义者还要进一步深入讨论嫉妒和羞耻两种情绪,我相信这两种情绪都是养成的而不是非学习的。

第9章我们的肢体习惯。我们的肢体包括腰、腿、手和脚等组织,其行为系统称为肢体习惯系统。环境的改变导致习惯的改变。人类有机体时常被各种体内、体外的刺激物所刺激着,当人类的身体构造接受这些刺激时,又要发出运动来。一组刺激物便构成了环境,环境也内外有别。连续不断地刺激和连续不断地运动,是人类有机体的常规的事情。但人是否有适应(adjustment)的时候?今天的心理学家和精神分析学家都告诉我们人必须适应。但在行为主义者看来,所谓的适应的事实好像是这样的,一个人在对刺激A发生反应时,也改变了他的环境,由于改变了环境,使他不得不去对刺激B发生反应,于是其结果便要成为下列两种事实之一:刺激B实际上把刺激A取消了;或者他由于对刺激B发生反应,他可以把他的环境加以改变,而使他得以脱离了A的范围。在第1种情况下,刺激A是被取消了或被去掉了;在第2种情况下,刺激A在新的环境中失去了其刺激效力。这样的说法有点复杂,让我们举一个例子。一个人的胃里因饥饿收缩了(刺激A),于是他便走到食品室吃东西了(刺激B)。他的饥饿(刺激A)这时立即停止,这样的情形就代表了适应。总之,这就是我们一切习惯形成的道理。在体内外环境中,如果有了某种刺激,则有机体便要发出运动来。他要作出很多种运动,要做出很多种事情,然后才能达到将刺激A取消或使之没有效力。如果他后来再遇到刺激A,而能发出少量的运动或做出少量的事情,便能将刺激A取消,或使它没有效力,我们便可以说他已经学习到一种习惯或形成了一种习惯。可见,复杂的习惯系统是在简单的条件反射基础上形成的。我们可以用学习曲线把动物和人类学习的种种情形表现出来。影响肢体习惯形成的因素有:1.年龄,2.练习的分配,3.已获得的机能之运用,4.药物。行为主义者并不用“记忆”这个名词,只说经过一个时期不练习之后,其习惯机能尚保留了多少,损失了多少。我们之所以反对使用记忆这个名词,是因为它含有哲学的及主观的意味。

第10章说话与思维。本章我们将讨论人类的语言习惯和思维习惯,人类的这些习惯是动物所不可获得的。我们通常所理解的语言,虽然复杂,但它在刚刚开始时,实际是一种很简单的行为,实际上也是一种习惯。在我们的喉部之下的地方,有一个简单的小器官称为喉头,或“音箱”(voice box)。它是一个管状物,周围是软骨所构成。在它的中间有两条很简单的膜排列着,声带就由这两条膜的边缘所构成。我们操纵这个小器官,并不是用我们的手去操纵,而是在我们从肺中呼出气来时,我们用附着在它上的一些肌肉来操纵它。除如此改变声带的状况之外,我们又从肺中呼出气来,是从两条声带的裂口中经过,于是便使两条声带振动而发出声音来。这种声音我们称为语音(voice)。我们语音习惯的形成犹如我们的肢体习惯形成一样,都是条件作用的产物。用公式表示如下:

S…………………………R

某种体内的刺激 说出dada之声

在条件作用之后

则看见奶瓶 也说出dada之声

通过条件作用,从简单的语音习惯逐渐形成语词和语句的习惯。所以我们认为,语词只是物体和情境的替代物,用语言来代替物体也是我们动作上的事情。在理论上,一旦人类自己具有语言代替世界上的外部物体以后,他便能通过这种组织把世界随身带着走了。行为主义者认为,一般心理学家所主张的思维并不是什么别的东西,只是我们对自己说话而已。思维是一种无声的语言,即一种潜伏的语言。时至今日,在关于思维的种种学说中,唯有这种主张是符合自然科学的一个学说。在外部有声语言中所学得的肌肉习惯乃是潜伏的或体内的语言(即思维)的基础,其证据有二:1.主要的证据是来自对儿童的观察。当幼儿独自一人在房间里,时常会大声地连续不断地说话。如果此时父母向他说:“不要大声说话,爸爸妈妈都没有自己说话”。于是,外部的语言便消失而成了沙沙之声。这时,一个优秀的唇读专家,便能通过唇动来观察幼儿所思的是什么。2.另外的证据来自聋哑人身上。聋哑人说话都是用肢体的运动来代替语词。我们收集了许多证据都证明了他们说话和思维都是用同样的肢体反应。总之,一切语词行为,无论是哪一种,只要在发生时是没有声音的,则都应该包括在“思维”这个名词之中。

第11章我们总是用语词思维吗?读者如果只偶然读到我们前面两章,则便要觉得我们的肢体、语言和内脏习惯都是各自独立发展的,并且是在不同的时候发展的。其实,实际的情形并不是这样的。一个人对一个物体或情境发生反应时,他是用整个身体来反应的。在我们看来,这种说法乃是说无论在什么时候,只要我们的身体发生反应,便就是我们所有的肢体组织、语言组织(在语言产生之后)和内脏组织都一起发生作用。除非我们把这些组织同时作为一个完整和整合的机能之成分,否则这3种组织形式不能在机能上互相补充(有时是互相代替)。总之,我们对世界上每个物体或情境所形成的习惯都是整体的,内脏的、肢体的和语言的动作都是组织在一起而成为一个完整习惯中的成分。只有两种情况是例外的:1.在幼儿时期获得所有的一切习惯组织,2.在生活中有剧烈的情绪时获得的一切习惯组织。那么,我们能否不用语言来思维?我现在来补充前面的观点。一个人无论在什么时候,只要他在思维,则他的整个身体都要在那里活动(潜伏着活动)——尽管他的思维之最后的结果,是要成为说出的语言、写出的语言或无声的语言。换言.之,也就是一个人自接受了他的思维问题之后,他的身体上的动作便发生了,活动了,最后便达到了适应状况。在未达到适应状况之前,他的身体上的活动,有时采取着(1)潜伏的肢体活动的方式;最常用采取着(2)潜伏的语言动作的方式;有时又采取着(3)潜伏的(甚至有时是明显的)内脏动作的方式。如果(1)或(3)占优势时,则思维便成为没有语词反应的形式了。

第12章人格。人格乃是一切动作的总和,而这一切的动作只要我们做过一种很长时间的观察,便可以将其表现出来。换言之,也可以说人格乃只是我们所有的各种习惯系统的最终产物。至于我们研究人格的方法则是设法将动作流切断而成为横切面(见图2)。不过,我们的人格虽然是由一切的动作所构成的,但其中也有一些占优势的习惯系统,习惯组织在24岁上的横切面——也就是在24岁的人格;在肢体习惯中有之,如职业上的习惯;在喉头习惯中有之,如善于说话者,善于讲故事者;在内脏习惯中有之,如怕人,害羞,需要人爱,以及我们平常所称的情绪。这些占优势的习惯系统是很明显的,是很容易观察出来的。它们是我们对别人的人格作出快速判断的基础。我们将人格进行分类也是以这种占优势的习惯系统为基础的。许多人对于人格这个名词都觉得颇有神秘的成分。现在我们则可以把人格化成能看得见的东西,能客观观察的东西。少年时代的人格变化很快,因为在这个时期,各种习惯的模式都正在形成、成熟和变化之中。研究人格的各种方法包括:1.研究一个人的受教育情况,2.研究一个人的成就,3.应用心理学的各种测验,4.研究一个人的闲暇时间和娱乐,5.研究一个人在日常生活情境下的情绪表现。从名词上讲,现在没有一种领域,其混乱要甚于心理病理学。医生根本不懂行为主义,所以现在心理病理学中的所用的名词都是旧内省心理学中的名词或弗洛伊德学派中的魔鬼般的术语。我希望训练一个人先明了行为主义,然后走进医学,最后走进心理病理学。我敢预言,今后20年如果一位精神分析者还用弗洛伊德的概念和术语的话,他必将被排斥在颅相学家之外。而根据行为主义原理所做的分析便仍要站在科学之林中,且要成为社会上的一种必然的职业——要与内科医学和外科医学并列起来。至于我这里所说的分析,是指对于人格所做的横切面研究,如我在前面所说的一样。这种工作等于医学上的诊断。除此,还要做到解除条件作用和条件作用,这些又等于医学上的治疗。单是分析是没有作用的——没有治疗的价值。诸如言语的、肢体的、内脏的新习惯将是心理病理学家所开的处方了。我们如何改变人格?我认为,既要将以前所学的东西取消(这种取消过程可以是一种自动地解除条件作用或仅是消极地不用),又要学习新的东西,后者是一种主动过程。关于要完全改变一个人的人格,其唯一的方法,便要去将他所处的环境完全改变了,使他处在改变过的新环境中,不得不去形成新的习惯。环境改变的程度越高,人格改变的程度也越高。因为改变人格是要先改变环境的,所以很少有人将他的人格完全改变而丝毫不受别人的帮助。我想,将来总要建立专门的医院,其目的完全是为改变我们的人格的。因为人格之改变犹如我们改变鼻子的形状一样容易,只不过需要较长的时间而已。我认为行为主义为更健全的生活奠定了基础。它应该是一门使一般男女了解他们自己的行为的首要原理的科学。它应该使一般男女都热心于重新安排他们自己的生活,尤其要使他们自己热心去用一种适当的方法教养他们的孩子。因为如果你们把自己的孩子不是放在放荡的人的自由国度中教养,而是放在行为主义的自由国度中教养,那么宇宙就要改变。至于行为主义的自由国度,我们现在还不能用语词来描绘,因为我们对它知道得还太少。这些在行为主义的自由国度中教养起来的儿童,由于他们所有的思维方法和生活方法比我们的好,是不是他们便要取代我们而构成一种新的较好的社会呢?是不是他们教养他们的儿童还要用更合于科学的方法,而他们的儿童又更逐渐地进步,以至于最后这个世界要变成一个很适于人来居住的地方呢?

图2 这个粗略的图用来表示行为主义者所谓“人格”的意义,也用以表明人格是如何发展的。

随便看

 

离鸟网收录3541549条中英文词条,其功能与新华字典、现代汉语词典、牛津高阶英汉词典等各类中英文词典类似,基本涵盖了全部常用中英文字词句的读音、释义及用法,是语言学习和写作的有利工具。

 

Copyright © 2004-2024 vtrois.com All Rights Reserved
更新时间:2026/4/20 10:40:47