制冷压缩冷凝机组是将中、小型的活塞式制冷压缩机和冷凝器及电动机、油分离器、电控设备和仪表盘等附属设备组成一个机组,以此形式供货的。常见的制冷压缩冷凝机组产品分别见表4-13-2和表4-13-3。
表4-13-2 半封闭、开启活塞式R22制冷压缩冷凝机组产品

表4-13-3 活塞式氨制冷压缩冷凝机组产品

冷凝器有水冷式或风冷式两种。有氟压缩冷凝机组和氨压缩冷凝机组。
压缩冷凝机组被选定后,再配备适当的膨胀阀、自行设计或外购的蒸发器以及其他附件,即可组成完善的制冷系统。
下面介绍饮料生产使用较多的一种新型JZS系列氟压缩冷凝机组(上海冷冻机厂制造)。
(一)特点
本机特点如下:
①采用无毒、无爆炸性的氟利昂22为制冷剂,对臭氧层破坏较小,是制冷行业推广的替代工质之一。
②该机将制冷压缩机、油分离器、冷凝器、管道阀门等零、部件整体组装,使产品结构紧凑,占地小,安装、操作及维修方便。
③冷凝器采用高效传热铜管,用扩管胀接结构,体积小,重量轻,寿命长,便于检修。
④压缩机组有高低压力保护和油压差保护。
(二)主要技术参数
(1)JZS系列氟压缩冷凝机组 主要技术参数见表4-13-4。
表4-13-4 JZS系列氟压缩冷凝机组主要技术参数


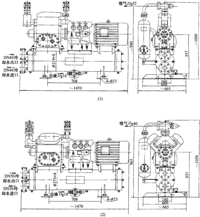
(2)JZS系列的2F7C和4F7C氟压缩冷凝机组 结构外形图见图4-13-6。

图4-13-6 2F7C、4F7C压缩冷凝机组结构外形图
(1)2F7C压缩冷凝机组外形图 (2)4F7C压缩冷凝机组外形图
(3)JZS-2F7C氟利昂压缩机 性能曲线(R22)见图4-13-7。

图4-13-7 2F7C氟利昂压缩机性能曲线(R22)