网站首页  词典首页


请输入您要查询的字词:

 

字词 典型电路
类别 中英文字词句释义及详细解析
释义

典型电路


随着科学技术的发展,对测量精度、效率、自动化的程度要求越来越高,利用电学方法的几何量测量仪也日益增多。几何量电测仪直接或间接地把被测参数或某个量的变化转换为电信号,再经电子电路放大、细分、信号选择、采集、运算、变换等处理后,驱动显示或执行机构,达到测量的目的。如今,测量仪器电路发展日新月异,不断向优质化、集成化、数字化、通用化、自动化与智能化方向发展。在这里介绍一些在几何量测量中常用的典型电路。

1.光电接收前置放大电路

(1) 运算放大器

随着集成电路技术的不断发展,原来使用分离元件的电路逐步被集成电路所取代,运算放大器是新型仪器电路中的基本电路之一,常用的有同相放大器、反相放大器、差动放大器等,常用运算电路见表3.4-1。

表3.4-1 常用运算电路

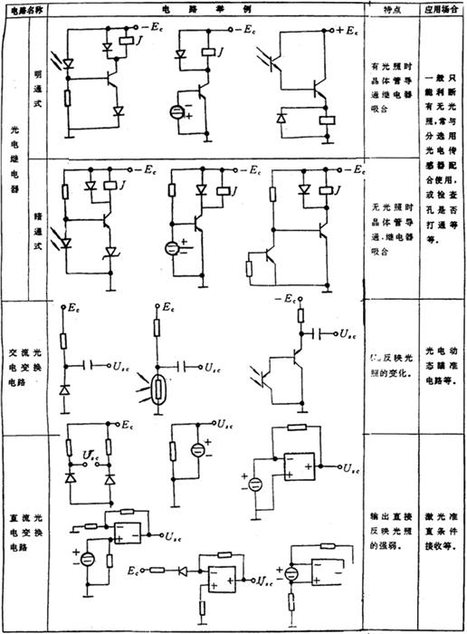
(2) 光电变换电路

在测量仪器中常使用光电二极管,光敏电阻,硅光电池,充电三极管作为光能控测元件,表3.4-2列出0常用的光电变换电路。

表3.4-2 常用运算电路

2.其它电路

在电测量仪器中还经常使用调制电路(包括调幅、调频、调相、脉冲调制)、解调电路(包括鉴相、鉴频、整流等)。电阻链细分电路,电子细分电路、模数转换电路等。下面介绍几种几何量测试仪器中常用的几种电路。如需用到其它电路请参阅有关参考书。

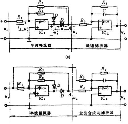
(1) 线性整流电路

图3.4-19(a)为半波整流器,输入为交流,输出为直流信号。电路只利用了输入信号的负半周信号,一般来说输出的脉动成份大。如不考虑低通滤波器的影响,则:

U0=K|US| 当(US<0)

U0=0 (当US>0)

a)半波整流器 b)全波整流器

图3.4-19 线性整流器

图3.4-20b)为全波整流器。充分利用了输入信号的正、负半周信号,如不考虑低通滤波影响,则:

a)串联桥 b)并联桥

图3.4-20 电阻链分相细分

(2) 相敏检波器

相敏检波器用来对调幅或调相信号进行解调,在电子细分等测量中常常使用,基础电子线路原理图见表3.4-3。

表3.4-3 相敏检波种类

Us:信号电压 CB:参考电压 r1~4:桥路平衡电阻 D1~4:检波二极管

R1~2:负载电阻 C1~2:滤波电容

W:平衡电位器 Isc:流过表头平均电流

Usc:输出电压 RD1:检波二极管内阻 R1:表头内阻

(3) 辨向电路

辨向电路的作用是识别测量运动方向并发出方向信号,以控制计数器计数或平衡方向以及显示符号的正负。广泛应用于磁栅,感应同步器,光栅信号等的处理中。

辨向电路输入信号是经整形后的一组周期性正交方波信号:

x=Sign(sin nx);

y=Sign(cos nx)。

由x、y的符号,及其正、负沿脉冲信号形成方向信号,并产生正负方向的计数脉冲。表3.4-4为两种典型的组合逻辑式辨向电路。

表3.4-4 组合逻辑式辨向电路

(4) 细分电路

由光栅、激光、感应同步器、磁栅等数字传感器给出的反映位移信息的信号都是以一组周期性的正交信号为基础的,为得到高的测量精度必须对周期信号进行内插细分。细分电路按工作原理可分为直传或细分电路和平衡补偿式细分电路;按电信号的幅值、相位、频率来细分,又可分为鉴幅式、鉴相式和倍频式细分电路。细分电路的主要技术指标是:与分辨率密切相关的细分数、细分精度、响应速度等。如图3.4-20为一典型的电阻链分相细分电路,其工作原理是,在电阻链两端施加相位不同(通常为90°),频率相同的交流信号,由于两信号的叠加作用,在电阻链各标点上,可得幅值和相位都不相同的信号,这些信号经整形,脉冲形成后,就能获得若干计数脉冲,从而实现细分。

【参考文献】:

[1]王因明主编,光学计量仪器设计,机械工业出版社,1982。

[2]薛实福、李庆祥编着,精密仪器设计,清华大学出版社,1991。

[3]叶声华主编,激光在精密计量中的应用,机械工业出版社,1980。

[4]罗南星主编,几何量计量技术简明教程,机械工业出版社,1993。

[5]角度计量编写组,角度计量,中国标准出版社,1984。

[6]童竞主编,几何量测量,机械工业出版社,1988。

[7]王江主编,现代计量测试技术,中国计量出版社,1990。

[8]蒋诚志编,计量光学,中国计量出版社,1989。

[9]梁铨廷主编,物理光学,机械工业出版社,1981。

[10]强锡富,于汶编,电路基础与电路量仪,哈尔滨工业大学出版社,1989。

[11]黑龙江省标准计量局、哈尔滨工业大学编,长度计量手册,科学出版社,1979。

[12]张国雄、沈生培主编,精密仪器电路,机械工业出版社,1987。

[13]几何量实用测试手册编委会,几何量实用测试手册,机械工业出版社,1985。

随便看

 

离鸟网收录3541549条中英文词条,其功能与新华字典、现代汉语词典、牛津高阶英汉词典等各类中英文词典类似,基本涵盖了全部常用中英文字词句的读音、释义及用法,是语言学习和写作的有利工具。

 

Copyright © 2004-2024 vtrois.com All Rights Reserved
更新时间:2026/4/21 1:30:25