网站首页  词典首页


请输入您要查询的字词:

 

字词 光电式接近开关
类别 中英文字词句释义及详细解析
释义

光电式接近开关


1.适用范围

光电开关适用于交流50Hz,额定工作电压不超过250V及以下,直流额定工作电压不超过30V及以下的电路中。为全树脂浇灌,有很好的密封性;电缆引线式、接插式可选择;并具备反连接保护电路。

2.光电式接近开关工作原理

(1)光电传感器的构成:光电开关是通过把光强度的变化转换成电信号的变化来实现控制的。

光电传感器在一般情况下由三部分构成:发送器、接收器和检测电路,见图1-130。

图1-130 光电传感器的构成

发送器对准目标发射光束,发射的光束一般来源于半导体光源,如发光二极管(LED)和激光二极管。光束不间断地发射,或者改变脉冲宽度。接收器有光电二极管或光电三极管组成。在接收器的前面,装有光学元件如透镜和光圈等。在其后面是检测电路,它能滤出有效信号并应用该信号。此外,光电传感器的结构元件中还有发射板和光导纤维。三角反射板是结构牢固的反射装置,由很小的三角锥体反射材料组成,能够使光束准确地从反射板中返回,具有实用意义。它可以在与光轴0°到25°的范围改变发射角,使光束几乎是从一根发射线发出,经过反射后,还是从这根反射线返回。光纤(又称光导纤维,LWL),扩大了光电传感器的使用范围,形成了特殊的嵌装式收发装置。可以在特殊的环境中使用,检测微小的物体。在非常高的外界温度中,在结构受限制的环境里,都可以获得满意的答案。

(2)光电式接近开关的分类和工作方式:

①槽形光电开关:把一个光发射器和一个接收器面对面地装在一个槽的两侧的是槽形光电。发光器能发出红外光或可见光,在无阻情况下光接收器能收到光。但当被检测物体从槽中通过时,光被遮挡,光电开关便动作。输出一个开关控制信号,切断或接通负载电流,从而完成一次控制动作。槽形开关的检测距离因为受整体结构的限制一般只有几厘米。

②对射式光电开关:若把发光器和收光器分离开,就可使检测距离加大。由一个发光器和一个收光器组成的光电开关就称为对射分离式光电开关,简称对射式光电开关。它的检测距离可达几米乃至几十米。使用时把发光器和收光器分别装在检测物通过路径的两侧,检测物通过时阻挡光路,收光器就动作输出一个开关控制信号。

③反光板反射式光电开关:把发光器和收光器装入同一个装置内,在它的前方装一块反光板,利用反射原理完成光电控制作用的称为反光板反射式(或反射镜反射式)光电开关。正常情况下,发光器发出的光被反光板反射回来被收光器收到;一旦光路被检测物挡住,收光器收不到光时,光电开关就动作,输出一个开关控制信号。

④扩散反射式光电开关:它的检测头里也装有一个发光器和一个收光器,但前方没有反光板。正常情况下发光器发出的光收光器是收不到的;当检测物通过时挡住了光,并把光部分反射回来,收光器就收到光信号,输出一个开关控制信号。

⑤光纤式光电开关:把发光器发出的光用光纤引导到检测点,再把检测到的光信号用光纤引导到光接收器就组成光纤式光电开关。按动作方式的不同,光纤式光电开关也可分成对射式、反光板反射式、扩散反射式等多种类型。

(3)光电式接近开关的术语:

①距离滞后:指的是测量板接近或者移去时开关偏移的距离。距离滞后用开关距离的百分比来表示。

②参考轴:发送器和接收器(对射型光电传感器),或者发送器和目标、反射板(反射型,反射板型光电传感器)之间构成相对的理想轴线。

③反射板盲区:光束在反射的过程中,有一段区域是不能识别反射板的区域,这段区域就是反射板的盲区。

④暗通(D.on):是指当接收装置无光束射入时光电传感器的开关接通;当反射型光电传感器接收反射光束,如果无物体出现,则开关接通,而当有物体出现在光束射线的中间时,开关就断开。

⑤亮动(L.on):是指当光学接收器受到光照的时候,传感器的输出接通。对射型和反射板型光电传感器是在光线遮住的时候,输出接通;反射型光电传感器,是在目标足够接近的时候,输出接通。

⑥盲区:是指反射型光电传感器不能识别目标的范围。

⑦NAMUR:是化工行业检测和控制技术的标准;要求仪表坚固可靠,适宜在易爆环境中工作。

3.光电式接近开关的主要技术参数表1-163

表1-163a 圆柱螺纹型光电式接近开关的主要技术参数

表1-163b 方型光电式接近开关的主要技术参数

(1)圆柱螺纹型光电式接近开关的主要技术参数见表1-163a。

(2)方型光电式接近开关的主要技术参数见表1-163b。

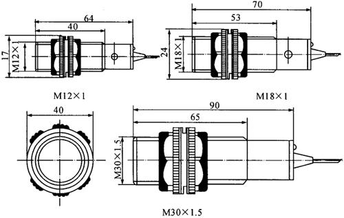
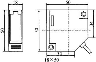
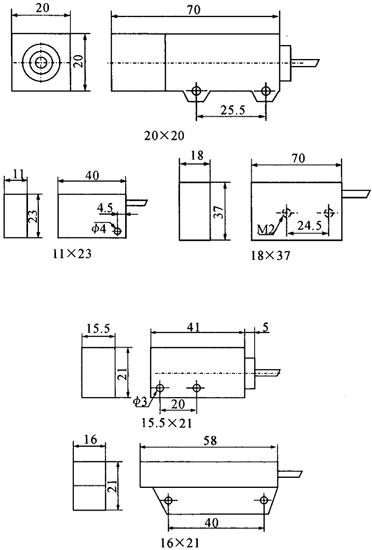
4.光电式接近开关的外形尺寸

光电式接近开关外形及安装尺寸见图1-131。

图1-131 光电式接近开关外形及安装尺寸

随便看

 

离鸟网收录3541549条中英文词条,其功能与新华字典、现代汉语词典、牛津高阶英汉词典等各类中英文词典类似,基本涵盖了全部常用中英文字词句的读音、释义及用法,是语言学习和写作的有利工具。

 

Copyright © 2004-2024 vtrois.com All Rights Reserved
更新时间:2026/4/18 22:56:31