网站首页  词典首页


请输入您要查询的字词:

 

字词 信号灯
类别 中英文字词句释义及详细解析
释义

信号灯


1.AD1信号灯

(1)适用范围:AD1信号灯适用于交流50(60)Hz,电压至380V及直流电压至220V的电器、电信线路中,作为指挥信号、预告信号、事故信号或其他指示的信号。

(2)正常工作条件见表1-143。

表1-143 AD1信号灯正常工作条件

①空气温度:-5~+40℃。

②相对湿度:<90%。

③海拔高度:<2000m。

④污染等级:2。

⑤安装类别:Ⅲ。

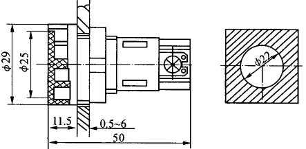
(3)外形及安装尺寸见图1-106和表1-144。

AD1-22/11、25/11、30/11直接式信号灯

AD1-22/12、25/12、30/12直接式信号灯

AD1-22/31、25/31、30/31电阻器减压式信号灯

AD1-22/21、25/21、30/21电阻器减压式信号灯

AD1-22/22、25/22、30/22电阻器减压式信号灯

AD1-22/32、25/32、30/32电阻器减压式信号灯

AD1-30/111直接式信号灯

AD1-22/222、25/222、30/222辉光式信号灯

图1-106 AD1信号灯外形及安装尺寸

表1-144 AD1信号灯外形及安装尺寸

2.AD3信号灯

(1)适用范围:AD3信号灯适用于交流50HZ,电压至380V及直流电压至220V的电气线路中,作为指挥信号、事故信号或其他指示的信号。

(2)主要技术参数见表1-145。

表1-145 AD3信号灯主要技术参数

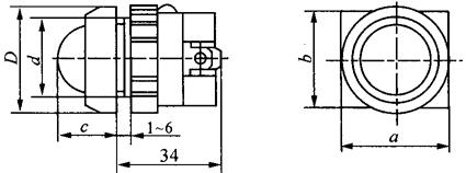
(3)外形及安装尺寸见图1-107。

图1-107 AD3信号灯外形及安装尺寸

3.AD11信号灯

(1)适用范围:AD11信号灯适用于电信、电器等设备的线路中作指示信号、预告信号、事故信号及其他指示之用信号,它是原钨丝和氖泡信号灯的最佳更新换代产品。

(2)主要技术参数:

①连续工作寿命≥30000h。

②额定绝缘电压AC380(50或60Hz)。

③允许电压波动±20%,电阻式降压交直流通用。

④发光颜色:红、绿、黄、白,光亮度≥60cd/m;

⑤相对漏电起痕指数CT1≥100(阻燃)。

⑥工频耐压:2.5kV(试验电压为交流有效值)。

⑦绝缘电阻:≥2MΩ。

⑧使用类别:AC-12;DC-12。

⑨额定工作电压和工作电流见表1-146。

表1-146 额定工作电压和工作电流

(3)外形及安装尺寸见表1-147。

表1-147 AD11信号灯外形及安装尺寸/mm

4.XDJ1系列信号灯

(1)适用范围:XDJ1系列信号灯适用于交流50HZ,电压至660V,直流电压至220V的电气线路中,作为各种灯光指示信号、预告信号、事故信号及其他指示信号。

(2)主要技术参数:

①连续工作寿命≥30000h。

②额定绝缘电压AC380(50或60Hz)。

③允许电压波动0.85~1.10Ue

④发光颜色:红、绿、黄、白,光亮度≥50cd/m。

⑤工频耐压:2.5kV(试验电压为交流有效值)。

⑥绝缘电阻:≥5MΩ。

⑦额定工作电压和额定功率见表1-148。

表1-148 额定工作电压和额定功率

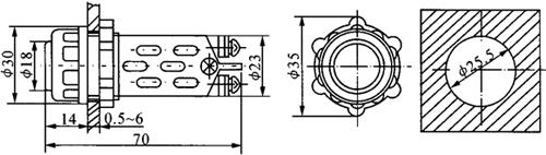
(3)外形和安装尺寸见图1-108。

图1-108 XDJ1系列信号灯外形和安装尺寸

5.XB2-EV系列信号灯

(1)适用范围:XB2-EV系列信号灯系仿法国施耐德电气公司产品设计制造,用于交流50Hz或60Hz,电压至250V,直流电压至220V的电气线路中,作为各种灯光指示信号,事故信号及其他指示信号。

(2)主要技术指标见表1-149。

表1-149 XB2-EV系列指示灯主要技术指标

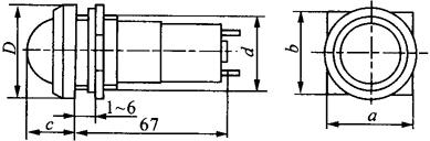
(3)外形及安装尺寸:XB2-EV系列信号灯外形和安装尺寸见图1-109。

图1-109 XB2-EV系列信号灯外形和安装尺寸

随便看

 

离鸟网收录3541549条中英文词条,其功能与新华字典、现代汉语词典、牛津高阶英汉词典等各类中英文词典类似,基本涵盖了全部常用中英文字词句的读音、释义及用法,是语言学习和写作的有利工具。

 

Copyright © 2004-2024 vtrois.com All Rights Reserved
更新时间:2026/4/17 16:08:38