网站首页  词典首页


请输入您要查询的字词:

 

字词 人力喷雾器的构造与工作原理
类别 中英文字词句释义及详细解析
释义

人力喷雾器的构造与工作原理


(一)552-丙型喷雾器的构造与工作原理

1.构造 本机由气泵、药液桶和喷射部件等组成,如图7-1所示。

图7-1 552-丙型压缩喷雾器

1.药液桶 2.气筒 3.喷射部件

2.工作原理 本机是利用气泵将空气压入药液的液面上,使药液产生一定的压力,将药液排出。如图7-2所示,当塞杆上拉时,压出阀关闭,皮碗下方空间容积增大,压强减小,空气从皮碗的上方把皮碗压弯,通过小孔流入下方。当塞杆下压时,皮碗受到下方空气的作用,紧贴着大垫圈,皮碗的小孔被封闭,空气就只好向下压开压出阀内的铜球进入储气桶。如此不断抽动塞杆,药液上方的压缩空气增多,压强增大,这时打开开关,药液就被压入喷射部件,从喷头喷出。

图7-2 552-丙型压缩喷雾器工作原理

(二)工农-16型喷雾器

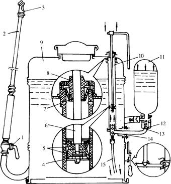
1.主要构造 工农-16型喷雾器由液压泵、药液桶、空气室和喷射部件等组成,如图7-3所示。

图7-3 工农-16型喷雾器

1.开关 2.喷杆 3.喷头 4.固定螺母 5.皮碗 6.塞杆 7.毡圈 8.唧筒帽 9.药液箱 10.唧筒 11.空气室 12.出水球阀 13.出水阀座 14.进水球阀 15.吸水管

2.工作原理 工作时,用手上下掀动摇杆,塞杆在泵筒内作往复运动。当塞杆带动皮碗上行时,皮碗下面的腔体容积增大,形成局部真空,在压力差的作用下,药液桶内药液冲开进水球阀,沿着进水管进入泵筒内,完成吸水过程。而当皮碗从上端返回时,泵筒内压力增高,将进水球阀关闭,出水球阀打开,药液即通过出水阀进入空气室,空气室内的空气被压缩,对药液产生压力,打开喷射开关后,药液即经过喷头变成细小的雾滴喷出。

随便看

 

离鸟网收录3541549条中英文词条,其功能与新华字典、现代汉语词典、牛津高阶英汉词典等各类中英文词典类似,基本涵盖了全部常用中英文字词句的读音、释义及用法,是语言学习和写作的有利工具。

 

Copyright © 2004-2024 vtrois.com All Rights Reserved
更新时间:2026/4/20 21:50:20