网站首页  词典首页


请输入您要查询的字词:

 

字词 主令控制器
类别 中英文字词句释义及详细解析
释义

主令控制器


1.LK1系列主令控制器

(1)适用范围:LK1系列主令控制器适用于交流电源50Hz,电压至380V及直流电压至440V的电路中,主要用作起重机磁力控制屏的遥远控制。

(2)结构特征:LK1系列主令控制器具有铸铁的壳体和支架,在壳体和支架上装有动、静触头及凸轮所组成的接触系统,整个接触系统封闭于壳子内,凸轮片角度为不可调整式,凸轮由手柄(或臂)带动而旋转,当触头支架上的滚子停于凸轮凹槽时,由于弹簧的作用而使动、静触头闭合;相反,动、静触头则分开。

(3)主要技术参数:LK1系列主令控制器主要技术参数见表1-69。

表1-69 LK1系列主令控制器主要技术参数

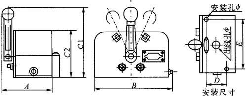
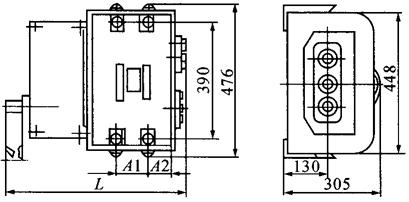
(4)外形及安装尺寸:LK1系列主令控制器外形安装尺寸见图1-42和表1-70。

图1-42 LK1系列主令控制器外形及安装尺寸

表1-70 LK1系列主令控制器外形及安装尺寸/mm

2.LK4系列主令控制器

(1)适用范围:LK4系列主令控制器适用于交流50Hz,电压至380V及直流电压至220V的电路中,为自动化电力传动装置中的控制原件。主令控制器可直接或经过减速器与操作机构连接而主令控制器触头根据操作机构的行程或转角按一定顺序闭合或断开(也可借辅助电动机来驱动)。

(2)结构特征:

①LK4系列主令控制器的基本原件有凸轮装配与触头装配。凸轮装配由轴与凸轮盘组合而成。凸轮盘由两个同样的半圆块所组成,每块上开有十个孔及一条圆槽,两孔间隔为18mm。凸轮片向固定螺栓左右两侧各调动10°30′,则受凸轮所控制的触头断开与闭合的位置也可随之调整。由于主令控制器触头断弧能力及机械部分抗磨性的限制,凸轮盘的回转度速度不得超过60r/min。

②每一凸轮盘作用一支电路,凸轮盘数相当于控制器的电路数。当主令控制器有较多的电路数时,则是有两组凸轮装配,即动触头装配与静触头装配。同时根据需要,主令控制器的凸轮上开有槽孔,可并联同转,即两组凸轮装配同时旋转。也可串联旋转,即第一组的凸轮装配和第二组凸轮装配依次回转。如LK4-148/3,4、LK4-168/3,4、LK4-188/3,4主令控制器具有两组凸轮装配,经过减速器与操作机构联接,减速可以使两组凸轮装配并联回转或串联回转。

③按外壳装置可分为保护式(LK4-0 LK4-1)和防水式(LK4-6)二种。如LK4-658为防水式,具有一组凸轮装配,用装于主令控制器壳上的蜗轮减速器与传动轴相联接。按有否减速可分为:不带减速的主令控制器(LK4-024、LK4-044、LK4-054)和均带减速器控制器(除不带减速的主令控制器外的所有控制器)。

(3)主要技术参数:LK4系列主令控制器主要技术参数见表1-71。

表1-71 LK4系列主令控制器主要技术参数

注:①主令控制器的操作频率为1200次/h,但允许60次/min内密接接通操作。

②主令控制器按1200次/h,交流能承受20万次接通和20万次分断,直流能承受10万次接通和10万次分断(其中接通时间0.2~0.5s)。试验后主令控制器触头仍能继续工作。主令控制器控制功率AC为1000VA,DC为90VA。

③主令控制器在无电流通过时,能承受100万次闭合和断开,其触头及弹簧能承受30万次闭合和断开,试验后能继续使用。

(4)外形及安装尺寸:

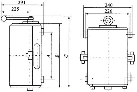
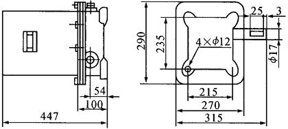
①LK4-024、LK4-044、LK4-054主令控制器外形安装尺寸见图1-43和表1-72。

图1-43 LK4-024、LK4-044、LK4-054外形及安装尺寸

表1-72 LK4-024、LK4-044、LK4-054外形及安装尺寸/mm

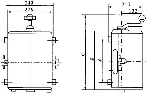
②LK4-028、LK4-048、IK4-058外形及安装尺寸见图1-44及表1-73。

图1-44 LK4-028、LK4-048、LK4-058外形及安装尺寸

表1-73 LK4-028、LK4-048、LK4-058外形及安装尺寸/mm

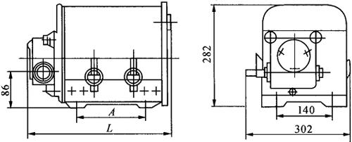
③LK4-148、LK4-168、LK4-188外形及安装尺寸见图1-45及表1-74。

图1-45 LK4-148、LK4-168、LK4-188外形及安装尺寸

表1-74 LK4-148、LK4-168、LK4-188外形及安装尺寸/mm

④LK4-658外形及安装尺寸见图1-46。

图1-46 LK4-658外形及安装尺寸

2.LK5系列主令控制器

(1)适用范围:LK5系列主控制器适用于交流50Hz,电压至380V及直流电压至440V的电路中,主要用于各类型电力驱动装置的遥远控制,可以控制需要较多控制电路的联锁与转换装置,适合于频繁操作。但它不适宜用于有化学活跃性、易燃性气体及充满灰尘以及非常潮湿的场所。

(2)结构特征:LK5系列主令控制器除LK5-227为防水式外,其他都为保护式,开关装置封闭于壳子内,为了避免偶而触及带电部分,并防止外物落入开关装置内,外壳用扣固定。触头的断开与闭合系借助于触头支持、动触头与弹簧的作用。当触头支持上的滚子作用在凸轮边缘上时,触头便断开。当触头支持上的滚子位于凸轮凹处时,由于弹簧的作用使动触头与静触头闭合。

(3)主要技术参数:LK5系列主令控制器主要技术参数见表1-75。

表1-75 LK5系列主令控制器主要技术参数

注:主令控制器的操作频率为1200次/h,但允许60次/min内密接接通操作。

(4)外形及安装尺寸:LK5系列主令控制器外形安装尺寸见图1-47和表1-76。

图1-47 LK5系列主令控制器外形安装尺寸

表1-76 LK5系列主令控制器外形及安装尺寸/mm

3.LK14系列主令控制器

(1)适用范围:LK14系列主令控制器在交流50Hz,额定工作电压至380V的电力传动装置中作频繁转换控制之用。

(2)主要技术参数及外形安装尺寸:LK14系列主要技术参数及外形安装尺寸见图1-48和表1-77。

定位式

自复式

图1-48 LK14系列外形及安装尺寸

表1-77 LK14系列主令控制器主要技术参数及外形安装尺寸

3.LK16系列主令控制器

(1)适用范围:LK16系列非调整式主令控制器适用于直流电压至220V,交流50Hz,电压至380V,主要用作磁力控制器的遥远控制。

(2)主要技术参数:LK16系列主要技术参数见表1-78。

表1-78 LK16系列主令控制器主要技术参数

(3)外形及安装尺寸:LK16系列外形安装尺寸见图1-49。

手柄式

手轮式

图1-49 LK16系列外形及安装尺寸

注:型号LK16-6,A尺寸为136mm,型号LK16-12mm,A尺寸为190mm。

4.LK17系列主令控制器

(1)适用范围:LK17系列非调整式主令控制器适用于直流电压至220V,交流电压至380V,频率50Hz,主要用作磁力控制器的遥远控制。

(2)结构特征:LK17系列非调整式主令控制器操作方便,与LK1产品相比体积和重量均减少2/3,电寿命和机械寿命均提高2~3倍,有较好的机械性能。该产品的触头双断点,桥式结构,灭弧能力较强,直流的含有永磁块灭弧。

(3)LK17系列主令控制器主要技术参数:

①机械寿命不少于300万次,电寿命不少于100万次。

②触头数2~12个挡次数左、右各为1~6挡。

③控制器的触头接通和分断能力见表1-79。

表1-79 控制器的触头接通和分断能力

(4)外形及安装尺寸:LK17系列主令控制器外形及安装尺寸见图1-50。

图1-50 LK17系列外形及安装尺寸

注:型号LK17-6,A尺寸为170mm,L为110mm;型号LK17-12,A尺寸为245mm,L为190mm。

5.LK18系列主令控制器

(1)适用范围:LK18系列凸轮非调整式主令控制器适用于交流50Hz,额定工作电压至380V及直流额定工作电压至220V的电力传动装置中,通过转换控制电路实现对控制站的遥控。

(2)结构特征:LK18主令控制器分为三个部分:传动机构部分、凸轮、触头系统部分和壳体部分。为避免由于起重机震动和意外碰撞时操纵机构误动作,操纵手柄带有零位自锁装置。操作时只须将手柄压下,零位自锁装置打开,便可操作。机械传动部分装在箱体上部,立式操作机构手柄是经伞齿轮传动凸轮轴。水平操纵手柄是直接传凸轮轴,使触头组按规定程序分合。主令控制器的凸轮轴均为立式布置,传动部分各支点均用滚动轴承,以减少摩擦力。定位轮是由3mm厚钢板冲压而成的,并处理而获得耐磨性,棘轮上冲有六个定位孔,定位螺钉装入位置不同的孔内,即可决定操纵手柄的挡次。在左右各六挡的范围内,挡次数可以任意选择。定位棘轮弹簧力是可以调整的。这样就可以根据具体情况,在分挡清楚的前提下,调整棘轮弹簧力使手柄操纵力在许可的范围内。凸轮为黑色酚醛注射料,其结构为插入式,不仅保证了装配位置准确,而且如欲变换触头分合程序时,可以方便地取下任意凸轮,不必将整台产品大拆大卸。机座采用压铸铝件,上面板采用钢板拉伸成形,机座和面板用4个支柱联成一体,具有重量轻,刚度好的特点,前后外罩均能方便拆下供安装、配线和维修用。

(3)LK18系列主令控制器主要技术参数:

①机械寿命不少于300万次,电寿命交流不少于100万次,直流不少于10万次。

②手柄操作力:不大于30N。

③最多控制回路数:12个。

④最多控制挡位:左右各6挡。

⑤控制器的触头接通和分断能力见表1-80。

表1-80 控制器的触头接通和分断能力

注:①2.6A是在额定工作电压为交流380V时电流值。

②0.4A是在额定工作电压为直流220V时的电流值。

(4)外形及安装尺寸:LK18系列主令控制器外形及安装尺寸见图1-51。

图1-51 LK18系列主令控制器外形及安装尺寸

随便看

 

离鸟网收录3541549条中英文词条,其功能与新华字典、现代汉语词典、牛津高阶英汉词典等各类中英文词典类似,基本涵盖了全部常用中英文字词句的读音、释义及用法,是语言学习和写作的有利工具。

 

Copyright © 2004-2024 vtrois.com All Rights Reserved
更新时间:2026/4/20 0:29:19