网站首页  词典首页


请输入您要查询的字词:

 

字词 不同层次标准的制定程序
类别 中英文字词句释义及详细解析
释义

不同层次标准的制定程序


前面讲了标准制定程序的共性问题,而对于不同层次的标准,由于涉及范围和组织管理机构有所不同,制定的程序略有区别。下面分别介绍国家标准、行业标准和地方标准的具体制定程序。企业标准的制定程序请见第十章。

1.国家标准的制定程序

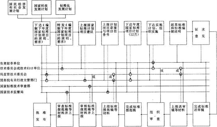
国家标准的制定程序应当符合《国家技术监督局国家标准管理办法》的有关规定。除药品、兽药、食品卫生、环境保护、工程建设等方面的国家标准外,其他国家标准的制定程序如图5.5-2所示。

注:·承办单位

〇文件接受单位

……→文件传递线

图5.5-2 国家标准制定程序简图

(1)国家标准计划的制定与调整

编制国家标准的计划项目应以国民经济和社会发展计划、国家科技发展计划、标准化发展计划等作为依据。国家技术监督局每年六月提出下年度国家标准计划项目的编制原则和要求,下达给国务院有关行政主管部门(以下简称主管部门)和国家技术监督局领导和管理的全国专业标准化技术委员会(以下简称局直管技术委员会)。主管部门将这些原则和要求转发给所领导和管理的全国专业标准化技术委员会或标准化专业技术归口单位(以下简称技术委员会或归口单位)。各技术委员会和归口单位根据这些原则和要求,提出国家标准计划项目的建议报主管部门。主管部门审查协调后提出计划项目草案和项目任务书报国家技术监督局。国家技术监督局对上报的计划草案统一汇总、审查、协调后,于年底前下达。

对于药品、兽药、食品卫生、环境保护和工程建设的国家标准计划,由主管部门报国家技术监督局审查后下达。

执行国家标准计划过程中,必要时可以对计划项目进行调整。确属急需的未列入计划的项目可以增补,特殊情况可调整计划项目内容,不宜制定国家标准的项目可以撤销。调整计划需经计划下达部门批准。

(2)标准的起草、审批和发布

国家标准计划项目由主管部门和局直管技术委员会组织实施。负责起草单位按5.5.1中讲述的程序完成国家标准送审稿后,送有关技术委员会秘书处或归口单位审阅,确认可以提交审查后,由技术委员会或归口单位按5.5.1中讲述的办法组织审查。送审稿经过审查并按审查意见修改后形成的国家标准报批稿,由主管部门或局直管技术委员会审核,然后报国家标准技术审查部审查。经审查通过后报国家技术监督局批准、发布。

对于药品、兽药国家标准,分别由国务院卫生主管部门、农业主管部门审批、编号、发布;食品卫生、环境保护国家标准,分别由国务院卫生主管部门、环境保护主管部门审批,国家技术监督局编号、发布;工程建设国家标准由国务院工程建设主管部门审批,国家技术监督局统一编号,国家技术监督局与工程建设部门联合发布。

2.行业标准的制定程序

根据《国家技术监督局行业标准管理办法》的有关规定,行业标准的制定程序如图5.5-3所示。

图5.5-3 行业标准制定程序简图

行业标准计划项目由技术委员会或归口单位提出建议,行业标准主管部门下达实施。负责起草单位按5.5.1中讲述的程序完成行业标准送审稿后,由技术委员会或归口单位按5.5.1中讲述的办法组织审查。行业标准送审稿经审查并按审查意见修改后形成的报批稿,报归口主管部门审批、编号、发布。

为了保证行业标准质量,一些主管部门根据《国家技术监督局行业标准管理办法》,制定了实施细则等规定,比上述程序增加了一些中间控制环节,如标准审查前后预审;标准报批前归口单位的标准化审查和技术领导审查;主管部门批准前相关行政主管部门会签等。在制定标准时,应按主管部门的有关规定执行。

3.地方标准的制定程序

根据《国家技术监督局地方标准管理办法》,地方标准的制定程序如图5.5-4所示。

图5.5-4 地方标准制定程序简图

制定地方标准年度计划由省、自治区、直辖市人民政府标准化行政主管部门负责。该主管部门先向同级有关行政主管部门和省辖市(含地区)标准化行政主管部门部署制定地方标准年度计划的要求,请他们根据要求提出计划建议,然后对建议进行协调审查,制定出年度计划。

省、自治区、直辖市标准化行政主管部门根据年度计划组织标准起草小组,或委托同级有关行政主管部门、省辖市标准化行政主管部门负责起草。负责起草单位或起草小组按照5.5.1中讲述的程序完成地方标准送审稿后,由省、自治区、直辖市标准化行政主管部门组织审查,或委托同级有关行政主管部门、省辖市标准化行政主管部门组织审查。审查工作可由标准化行政主管部门批准建立的标准化技术委员会负责,也可组织生产、使用、营销、科研、检验、标准化、学术团体等有关单位的专业技术人员进行审查。审查形式和内容请见本章5.5.1。

组织起草地方标准的单位将审查通过的送审稿,按审查意见修改成报批稿后,连同有关报审材料和参加审查人员名单,报送省、自治区、直辖市标准化行政主管部门审批、编号、发布。

随便看

 

离鸟网收录3541549条中英文词条,其功能与新华字典、现代汉语词典、牛津高阶英汉词典等各类中英文词典类似,基本涵盖了全部常用中英文字词句的读音、释义及用法,是语言学习和写作的有利工具。

 

Copyright © 2004-2024 vtrois.com All Rights Reserved
更新时间:2026/4/21 10:41:55