网站首页  词典首页


请输入您要查询的字词:

 

字词 万能式断路器
类别 中英文字词句释义及详细解析
释义

万能式断路器


1.适用范围

万能式断路器适用于交流50Hz,额定工作电流至6300A,额定工作电压至690V的配电中,用来防止电能分配和电源设备的过载、欠电压、短路、单相接地等故障的危害以及保护线路。DW40、DW45、DW450等断路器具有智能化、选择性保护功能,能提高供电可靠性,避免不必要的停电。

2.常用万能式断路器的结构特征

(1)DW15-630型断路器分固定式和抽屉式两种,抽屉式由断路器本体及抽屉座组成。断路器为立体布置形式,触头系统、瞬时过电流脱扣器和左右侧板安装在一块绝缘板上。上部装有灭弧系统,操作机构可装在正前方或右侧面,有“分”、“合”指示及手动断开按钮机构指示。左上方装有分励脱扣器,背部装有欠电压脱扣器与脱扣半轴相连,速饱和电流互感器或电流电压变换器穿在下母线上,欠电压延时阻容装置、热继电器或电子型脱扣器均分别装在断路器下方。

(2)DW15-1000~4000型断路器也采用立体布置形式,由底架、侧板、横梁组成框架,每相触头系统安装在底架上,上面装灭弧室。操作机构在断路器右前方,通过主轴与触头系统相连。电动操作机构通过方轴与机构成一体装于断路器下部,作为断路器的储能或直接闭合之用,储能后的闭合由释能电磁铁承担。在左侧板上方装有防回跳机构,以防止断路器在断开时弹跳。各种过电流脱扣器按不同要求装在断路器下方,欠电压、分励脱扣器及电动操作控制部分装在左侧,其中欠电压、分励脱扣器通过脱扣器与放大机构相连,以减少断路器脱扣力。6对辅助触头供用户连接二次回路用,面板上有显示断路器工作位置的指示牌“I”、“O”和“储能”指示,还有供合闸及分闸用的按钮“I”、“O”(均按下)。DW15-1600断路器附有手动操作手柄;DW15-2500、4000断路器附有检修的手动操作手柄(均可卸下)。

(3)DW15HH断路器是DW15的二次开发产品,分固定式和抽屉式两种结构;断路器为立体布置,由侧板、横梁组成框架,每相触头系统安装在框架上,上面装灭弧室。操作机构在断路器右前方,通过主轴与触头系统相连。电动操作机构通过方轴与机构连成一体装于断路器下部,作为断路器的储能或直接闭合之用,储能后闭合由释能电磁铁完成。在左侧板上方装有防回跳机构,以防止断路器在分断时弹跳。欠电压和分励脱扣器经过放大机构与脱扣半轴相连,以减少断路器的脱扣力。面板上有显示断路器工作位置的指示牌“I”“O”及智能控制器,手动操作手柄供手动储能使用(仅指2000壳架)。抽屉式断路器由断路器本体与抽屉座组成,通过断路器本体上的母线与抽屉座上桥型触头的插座接通主回路,具有机械联锁装置,能保证断路器在断开状态下进行主回路转换。控制器由互感器组件、电子部件及执行元件等三部分组成,互感器组件由空心互感器和速饱和互感器组成,直接套在母线上,二次引出线与控制器相连。

(4)DW16万能式断路器主要由自由脱扣机构、触头系统、过电流脱扣器、灭弧系统等组成,触头系统、过电流脱扣器均装在断路器的底板上,触头系统的上面装灭弧系统,右侧装有自由脱扣机构通过主轴与触头系统相连,左侧装辅助开关。触头材料采用特种合金,有良好的抗熔焊性和低接触电阻。灭弧室栅片为平行布置,灭弧壁采用耐弧塑料制成,并配置隔弧板从而提高了断路器短路分断能力。断路器还可根据需要安装电动机、杠杆、电磁铁(只适用于630A以下壳架等级电流)等操作机构。

(5)DW17断路器是采用立体式的积木结构,分为三个壳架电流等级,即630~1605A一个壳架等级;2000~2505A一个壳架等级,3200~3205A一个壳架等级。三个壳架电流等级以630~1605A壳架为基础,其他壳架则根据不同的额定电流采用积木式结构拼装而成。断路器由框架、触头系统、灭弧系统、脱扣器、操作机构、抽屉座、触刀座及二次接线回路组成。总体结构分固定式和抽屉式两种,抽屉式附有加长导轨以利于用户的维修。接线方式有垂直进出线、水平进出线,操作方式有手动操作、电动操作和预储能操作。断路器的过电流脱扣器由瞬时脱扣器、长延时脱扣器和短延时脱扣器组成。用户可根据使用要求进行组合,实现一段、二段或三段保护。

(6)DW45智能型万能式断路器分固定式和抽屉式二种结构。其中固定式断路器主要由触头系统、智能脱扣器、手动操作机构、电动操作机构和安装板组成;抽屉式断路器主要由触头系统、智能脱扣器、手动操作机构、电动操作机构和抽屉座组成。智能型万能式断路器具有结构紧凑、体积小的特点。触头系统封闭在绝缘底板内,其每相触头也都用绝缘板隔开,形成一个个小室,而智能型脱扣器、手动操作机构、电动操作机构依次排在其前面而形成各自独立单元,如其中一个单元坏了,可将其整个拆下换上新的。其中:

①触头系统:由于采用一档触头,省去了弧触头(如有弧触头)的转移过程,减少了触头的操作力,加快了短路电流分断的过程。为了降低触头之间的电动斥力,提高触头系统的电动稳定性,触头系统采用多路并联。触头,软连接及母排之间均采用焊接,减少了接触电阻,降低了功耗。

②灭弧室:灭弧室壁用绝缘材料压制而成,灭弧室中除装有灭弧栅外,还装有灭焰栅,使电弧向上吹入灭弧室。

③基座:触头和灭弧系统均位于上下基座之间的空间之中。上下基座均由高强度、电气性能优良的绝缘材料压制而成。每相设计成各自独立的灭弧小室,而触头装在绝缘支架上,杜绝了相间短路的可能性,并且在分断短路电流时所产生的气体不可能向下喷,只能向上喷,这种设计能保证在下进线时分断可靠。

④操作机构:操作机构分手动和电动传动机构两种。都装在绝缘基座上,位于断路器的正面。操作机构采用四连杆变五连杆的自由脱扣机构。为满足自动化控制的需要,机构设计成预储能型式。在断路器使用过程中,机构处于预储能位置。只要断路器一接到合闸命令,断路器就能立即闭合,预储能的释放可用释能电磁铁手动来完成,也可实现远程自动控制。

⑤智能型脱扣器性能:具有过载长延时反时限、短延时反时限、短延时定时限、瞬时动作等保护功能,可由用户自行设定,组成所需要的保护特性;接地故障保护功能;过载报警功能;试验功能;负载监控功能;显示功能;自诊断功能;MCR功能;热模拟功能;触头损耗指示;故障记忆功能。如用户需要,可带有可通讯接口功能,要1km内通过电脑对断路器实行遥控、遥调、遥测和遥讯四遥功能。

3.常用万能式断路器产品型号和主要技术参数

常用万能式断路器产品型号和主要技术参数见表1-44。包括:

表1-44 常用万能式断路器产品型号和主要技术参数

(1)M系列为法国施耐德公司产品,外形与安装尺寸基本与DW45相似,施耐德公司新推出的MT系列也分三个框架,分别为1600,4000和6300,与M系列相比,额定运行短路分断能力与额定短时耐受电流进一步提高,实现Icu=Ics=Icw;产品外形尺寸缩小,保护功能齐全;智能控制器在原保护功能基础上,增加电压、频率和功率的测量,谐波和基波的计算,精确分析电网质量,能与多种现场总线连接等。

(2)F系列为意大利ABB公司生产的产品,ABB公司新推出的EmaxE系列为5个框架尺寸13个规格,与原F系列相比,额定运行短路分断能力与额定短时耐受电流进一步提高,实现Icu=Ics=Icw;使用3种微处理器脱扣器。具有选择性、后备保护及方向性、接地故障、变压器、线路、发电机、异步电动机、电容器等多种完善的保护特性及功能。可使用Lon Works和Modbus总线进行双向通信联络。

(3)3WN6为德国西门子公司产品,取代原3WN5系列,有3极和4极,固定式和抽屉式二种,最大额定电流3200A,3WN6断路器的过电流脱扣器可用作时间分段控制,并且具有状态显示和故障原因显示。脱扣信号独立存储而不需外部电源,信号的查询也不需附加的信号装置。对于脱扣器机电参数配置的测试也包含在脱扣器中。根据用户需要,还可以提供报警功能,电流表甚至通讯模块。

西门子公司新推出的WL1~WL3系列,与公司原WN6系列相比,从2个框架增加为3个框架,智能控制器功能与测量精度均有明显提高;电流、电压测量精度从原来±3%提高±1%;功率测量精度从原来±10%提高到±3%;通信功能可以与多种现场总路线连接,配置了内部总线,区域联锁模块等。

(4)AT系列是日本寺崎公司推出的新一代产品,与原AH(北开型号DW914)系列相比,该系列产品的保护器由8位微处理控制,有检测电流有效值的电子过电流继电器(OCR),而OCR可以分成三大类:普通配电线路保护、极端反时限特性保护和发电机保护,可实现遥控通信和遥测。

(5)AE-SS为日本三菱公司90年代推出的产品,是在原AE-S(广州南洋型号DW18)基础上的二次开发,与AE-S相比,体积平均缩小30%,采用电子脱扣器,可实现智能型保护,还具有监视、显示、预报、自诊断等功能。

(6)Spectronic系列是美国GE公司推出的新一代产品,有选择型S和限流型L二种,产品保护方式为智能化通信接口,可实现遥控通信和遥测等功能。

4.常用万能式断路器外形及安装尺寸

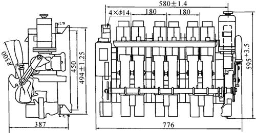
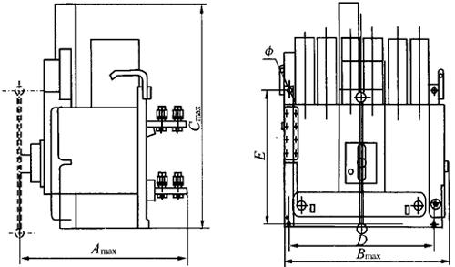
(1)DW15系列万能式断路器外形及安装尺寸见图1-21和表1-45。

图1-21 DW15系列外形及安装尺寸示意图

表1-45 DW15系列外形及安装尺寸/mm

(2)DW16系列万能式断路器外形及安装尺寸:

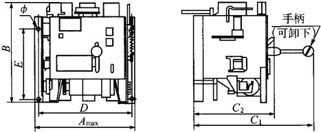
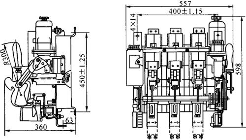
①DW16-630直接手动操作和电动机操作外形及安装尺寸见图1-22。

图1-22 DW16-630直接手动操作和电动机操作外形及安装尺寸

②DW16-630杠杆操作外形及安装尺寸见图1-23。

图1-23 DW16-630杠杆操作外形及安装尺寸

③DW16-2000直接手动操作及电动机操作外形及安装尺寸见图1-24。

图1-24 DW16-2000直接手动操作及电动机操作外形及安装尺寸

④DW16-2000杠杆操作外形及安装尺寸见图1-25。

图1-25 DW16-2000杠杆操作外形及安装尺寸

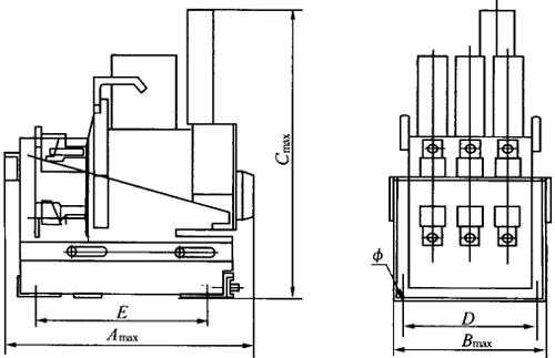
⑤DW16-4000外形及安装尺寸见图1-26。

图1-26 DW16-4000外形及安装尺寸

(3)DW17系列外形及安装尺寸:

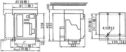
①DW17系列固定式外形及安装尺寸见图1-27和表1-46。

图1-27 DW17系列固定式外形及安装尺寸

表1-46 DW17系列固定式外形及安装尺寸/mm

②DW17系列抽屉式外形及安装尺寸见图1-28和表1-47。

表1-47 DW17系列抽屉式外形及安装尺寸/mm

图1-28 DW17系列抽屉式外形及安装尺寸

(4)DW45系列万能式断路器外形及安装尺寸:

①DW45系列固定式外形及安装尺寸见图1-29及表1-48。

图1-29 DW45系列固定式外形及安装尺寸

表1-48 DW45系列断路器外形及安装尺寸/mm

②DW45系列抽屉式外形及安装尺寸见图1-30及表1-49。

图1-30 DW45系列抽屉式外形及安装尺寸

表1-49 DW45系列抽屉式外形及安装尺寸/mm

注:*DW45-3200可增容至4000A,安装尺寸与DW45-3200的4P相同。

随便看

 

离鸟网收录3541549条中英文词条,其功能与新华字典、现代汉语词典、牛津高阶英汉词典等各类中英文词典类似,基本涵盖了全部常用中英文字词句的读音、释义及用法,是语言学习和写作的有利工具。

 

Copyright © 2004-2024 vtrois.com All Rights Reserved
更新时间:2026/4/21 9:13:03