网站首页  词典首页


请输入您要查询的字词:

 

字词 ZL22(原YL12/YL22)及AF2/KDF2滤棒成型机组
类别 中英文字词句释义及详细解析
释义

ZL22(原YL12/YL22)及AF2/KDF2滤棒成型机组


ZL12滤棒成型机是引进AF2/KDF2/HCF80滤棒成型机技术后消化吸收制造的产品,两者性能相同。

1.结构特点

(1)AF2开松上胶机结构特点:

①纤维丝束通过气流喷嘴拉伸开松,经进料传动辊平衡,再通过两对可分别调节速度的传动辊拉伸开松丝束,开松效果较好。

②增塑剂喷洒量由计量泵的转速控制。喷洒上胶系统可保证喷洒的三醋酸甘油酯的量与通过的纤维丝束的量之比例不变。

③橡胶辊用特种橡胶制成,可有效地消除静电,确保开松机的正常运行。

AF2开松上胶机外形见图9-5-2所示。

图9-5-2 AF2开松上胶机前视图

1-一级喷嘴开松器 2-导向环 3-二级喷嘴开松器 4-进料传动辊 5-前后传动辊 6-三级喷嘴开松器 7-上胶箱 8-输送辊

(2)KDF2滤棒成型机结构特点:

KDF2滤棒成型机外形见图9-5-3所示。

图9-5-3 KDF2滤棒成型机外形图

1-控制箱 2-吹风装置 3-主传动与制动系统 4-压力供气系统 5-纸架与换纸系统 6-烟枪 7-接口热上胶系统 8-内线冷上胶(带泵)系统 9-刀头 10-滤棒输出(分烟轮,转向轮)装置 11-中间轮 12-输出轮 13-输出装置 14-传动装置 15-冷却装置

①配有一套吹风装置,在停机与启动时,吹出不符合要求的滤棒。

②滤棒卷纸安装在回转圆盘的卷筒上.并设有可除去搭接口的自动换卷纸装置。

③盘纸在运行中由一个导纸装置使其稳定,由一个热熔胶喷嘴进行接口粘合和冷胶喷嘴进行内线粘合。

④切割装置为双刀头,自动进刀,并有两个研磨台。滤条被切割后进入分烟轮,再经过转向轮、中间轮、输出轮直至输送带,最后送入HCF80装盘机的料斗内。

⑤机器配有控制箱和一套控制元件。胶水温度可调节和显示,滤棒直径可自动调节、显示和计数;设备启动后,该机可自动运转到生产速度。

(3)HCF80装盘机结构特点:

①适应性广,有多种进料方法,可以左进料,右进料,双边进料;高部位进料,低部位进料,外角进料;可带观测段的进料或不带观测段的进料。

②用于滤嘴卷烟装盘时,其滤嘴可朝向盘内壁,也可以朝向盘外。使用整体或抽板烟盘,可适用于SASIB型,MOLINS型,HAUNI型卷烟机。

③有较大的储存能力,在烟盘外形深度尺寸为110mm情况下,可容纳9个空盘和10个满盘。

外形见图9-5-4所示。

图9-5-4 HCF80装盘机外形图

1-烟库 2空烟盘 3-空烟盘输送台 4-填充机构 5-平整装置 6-满烟盘 7-满烟盘输送台 8-提升台

2.主要技术参数

(1)AF2开松上胶机技术参数:

①生产能力 醋酸纤维丝束最高速度为400m/min。

②开松宽度:280mm±20mm。

③旁通式鼓风机:(用于开松)。

压力2.4×104Pa,流量250m3/h。

④压缩空气:

压力4×105Pa,流量0.5m3/h。

⑤总功率消耗:约3.7kW。

其中:旁通式鼓风机3kW;

刷子电动机370W;

甘油酯泵270W。

⑥甘油酯储存筒容量:约70L。

⑦外形尺寸:

长×宽×高为2212mm×970mm×1545mm(不计回转臂)。

长×宽×高为2880mm×970mm×2990mm(包括回转臂)。

⑧质量:约1100kg。

(2)KDF2成型机技术参数:

①生产能力:醋酸纤维丝束最高速度为400m/min;

即:生产100mm长滤棒最高速度为4000支/min。

②滤棒规格:

滤棒直径6~9mm(一般为7.7~7.79mm);

滤棒长度60~150mm(一般为90mm、100mm、120mm、150mm)。

③卷纸宽度:27mm(滤棒直径7.7~7.79mm时)。

④粘合剂:滤棒接口处采用热熔胶,滤棒内线采用冷胶(P.V.A白胶)。

⑤所需功率:总功率约16kW。

基中:主传动电机 9.3kW;

负压风机电机 3kW;

油泵电动机 0.37kW;

外部通风电动机 0.39kW;

回转纸架电动机 0.07kW;

冷却泵电动机 0.10kW;

磨刀电动机 2×0.078kW;

直径控制电动机 110V/0.27A。

(注:上述总功率包括了AF2开松上胶机的传动功率)

⑥压缩空气:压力不低于5×105Pa,流量3m3/h(包括AF2开松上胶机用量)。

⑦风机压力:650Pa,流量600m3/h。

⑧真空:6.5kPa,流量810m3/h。

⑨外形尺寸:长×宽×高为2660mm×1160mm×1550mm。

⑩质量:约2000kg。

(3)HCF装盘机主要技术参数:

①装盘能力:10000支/min。

②烟支或滤棒直径:6~9mm。

③烟支或滤棒长度:60~150mm。

④烟盘尺寸(最大)外形:长×宽×高为760mm×430mm×173mm;

内量:长×宽×高为680mm×420mm×150mm。

⑤噪音:<65dB(A)。

⑥功率:1.073kW。

⑦质量:约1350kg。

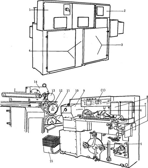
3.安装图示

AF2/KDF2/HCF80滤棒成型机组安装图见图9-5-5所示。

图9-5-5 AF2/KDF2/HCF80滤棒成型机组安装图

4.生产厂家

上海烟草工业机械厂制造。

随便看

 

离鸟网收录3541549条中英文词条,其功能与新华字典、现代汉语词典、牛津高阶英汉词典等各类中英文词典类似,基本涵盖了全部常用中英文字词句的读音、释义及用法,是语言学习和写作的有利工具。

 

Copyright © 2004-2024 vtrois.com All Rights Reserved
更新时间:2026/4/20 5:46:23