网站首页  词典首页


请输入您要查询的字词:

 

字词 RC小包透明纸包装机
类别 中英文字词句释义及详细解析
释义

RC小包透明纸包装机


1.结构特点

(1)烟包输入后,该机会自动开机并随烟包的减少而自动降速,当无烟包输入时机器自动停止。薄膜纸筒的更换是自动进行的,透明纸拼接无需胶带,拼接处的烟包会自动剔除。气动夹具保证薄膜纸筒保持在正确位置。

(2)带液晶显示屏的操作台以数码形式显示机器运行状态,通过检测器的监测和控制,使机器运行平稳。可借助视像终端立即排除故障。

(3)该机由一直流电机驱动,不同的转矩也能提供恒定的转数,该机可与B1小包机、FZH/NK条包机、条包透明纸包装机或KW条包机组成全自动包装生产线。

2.主要技术参数

设备能力:500包/min。

烟包规格:长度 70~105mm;

宽度 49~89mm;

厚度 15~25mm。

装机功率:7.5kW。

压缩空气:6×105Pa,3.5m3/h。

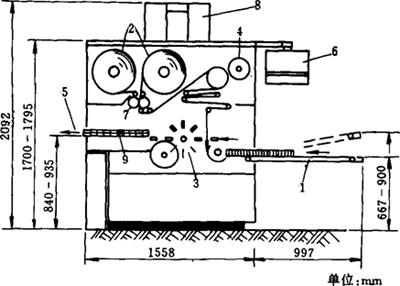
3.外形尺寸

见图9-4-32所示。

图9-4-32 RC小包透明纸包装机示意图

1-传送带 2-透明纸筒 3-折叠转盘 4-拉带纸筒 5-小包输出 6-操作盘 7-拼接装置 8-开关柜 9-次品剔除

4.生产厂家

法国Schmermund公司。

随便看

 

离鸟网收录3541549条中英文词条,其功能与新华字典、现代汉语词典、牛津高阶英汉词典等各类中英文词典类似,基本涵盖了全部常用中英文字词句的读音、释义及用法,是语言学习和写作的有利工具。

 

Copyright © 2004-2024 vtrois.com All Rights Reserved
更新时间:2026/4/20 9:24:10