网站首页  词典首页


请输入您要查询的字词:

 

字词 CB级自动转换开关电器
类别 中英文字词句释义及详细解析
释义

CB级自动转换开关电器


1.常用CB级自动转换开关产品型号及主要技术参数

常用CB级自动转换开关产品型号及主要技术参数见表1-172。

表1-172 常用CB级自动转换开关产品型号及主要技术参数

注:以上选配的断路器型号都为每个公司自家生产的断路器,断路器也可用ABB的S系列,施耐德的NS系列等。

2.CB级自动转换开关结构

CB级自动转换开关由装置本体及自动控制器两大部分组成的切换系统,二者之间用最长为2m的专用电缆相连。装置本体由两台带有电动操作机构的断路器及附件(辅助、报警触头)、机械联锁机构,小型断路器、接线端子等组成(以下简称装置),所有元件安装在一块金属底板上,机械联锁机构安装在两台断路器之间。装置的控制电源电压为AC230V,机械寿命为:电流等级63~225A为5000次,电流等级400A为3000次,电流等级630~800A为2500次。

3.CB级自动转换开关的性能

CB级自动转换开关的自动控制器对两路电源的电压同时进行检测,对高于额定值115%的电源电压判为过电压,低于额定值80%的则判为欠电压,逻辑电路对上述检测结果进行逻辑判断,处理结果通过延时电路后驱动相应的指令继电器向电动操作机构发出分闸或合闸指令,上述检测结果分别用发光二极管在面板上显示。

自动控制器控制功能,可分为自投自复(R)、自投不自复(S)和电网-发电(F)三种,前二种适用于电网-电网供电系统,后一种适用于电网-发电系统。

(1)自投自复的自动控制器(R)(一主一备):自投自复的自动控制器对两路电源(分别称为常用电源和备用电源)进行自动切换控制。正常状态时应由常用电源供电,当常用电源出现异常(任一相电压发生过压,欠压或缺相)时,经已设定的延时自动切换至备用电源供电;当常用电源恢复正常后,经已设定的延时自动返回至常用电源供电;当备用电源出现异常(任一相电压发生过压,欠压或缺相)时控制器发出备用电源报警声,该报警声亦可人为地关闭。自投自复自动控制器的功能见表1-173。

表1-173 自投自复自动控制器的功能

注:Q1合及Q1分表示控制常用电源的断路器合闸及分闸。

Q2合及Q2分表示控制备用电源的断路器合闸及分闸。

t1表示转换断开延时(最长为20s,最短为1.5s,出厂时整定在2~5s)。

t2表示转换接通延时(最长为2s,最短为0.7s,出厂时整定在1s)。

t3表示返回断开延时(最长为20s,最短为1.5s,出厂时整定在2~5s)。

t4表示返回接通延时(最长为2s,最短为0.7s,出厂时整定在1s左右)。

延时整定值避免用户自调,用户要求整定在其他时间,可与生产产订货时说明。

(2)自投不自复的自动控制器(S)(互为备用):自投不自复的自动控制器对两路电源(分别称为常用电源和备用电源)进行自动切换控制。在常用电源出现异常(任一相电压发生过压、欠压或缺相)时,已经设定的延时自动切换至备用电源,但当常用电源恢复正常后,不能自动回复,直至备用电源出现异常才进行切换。自投不自复自动控制器的功能见表1-174。

表1-174 自投不自复自动控制器的功能

注:Q1合、Q1分、Q2合、Q2分及t1~t4的功能同表1-173的注。

(3)电网-发电的自动控制器(F):电网-发电自动控制器对电网和发电两路电源进行自动切换,在电网停电时,经发电延时指令发出发电指令(以一组常开常闭触点输出)。当发电电压大于80%额定电压时,先从电网断开负载电路,经卸载指令延时发出卸载指令,卸去次要负载(以另一组常开常闭触点输出),再经转换接通延时接通发电电源。当电网电压恢复正常(达到80%额定电压以上)后,经返回断开延时将负载电路从发电电源断开,再经返回接通延时,自动切换到电网供电。发电延时由面板上右面的电位器调节设定(出厂时整定在20s),返回断开延时由面板上左面的电位器调节设定(出厂时整定在内10s)。电网-发电自动控制器的功能见表1-175。

表1-175 电网-发电自动控制器的功能

注:Q1合及Q1分表示控制常用电源的断路器合闸及分闸。

Q2合及Q2分表示控制备用电源的断路器合闸及分闸。

4.CB级自动转换开关的工作原理

(1)自投自复或自投不自复系统通过控制器面板上的四挡直键开关可以设定四种工作模式:“自动控制”、“常用电源”、“备用电源”和“断电再扣”。

①自动控制:系统根据两路电源电压是否有电,自动进行延时切换,对于自投自复系统可以自动回复,对于自投不自复系统则不能回复。

②常用电源:系统强制备用电源的断路器分闸,常用电源的断路器合闸,接通常用电源,不发生电源切换。

③备用电源:系统强制常用电源的断路器分闸,备用电源的断路器合闸,接通备用电源,不发生电源切换。

④断电再扣:系统使两路电源的断路器全部断开,或使故障脱扣的断路器再扣。

(2)电网-发电自动控制系统通过控制器面板上的四挡直键开关可以设定四种工作模式:“自动控制”、“电网电源”、“发电电源”和“断电再扣”。

①自动控制:系统根据电网、发电两路电源电压是否有电,自动进行延时切换。

②电网电源:系统强制发电电源的断路器分闸,电网电源的断路器合闸,接通电网电源(如果电网电源电压正常),不发生电源切换。

③发电电源:系统强制电网电源的断路器分闸,发电电源的断路器合闸,接通发电电源(如果发电电源电压正常),不发生电源切换。

④断电再扣:系统使两路电源的断路器全部断开,或使故障脱扣的断路器再扣。

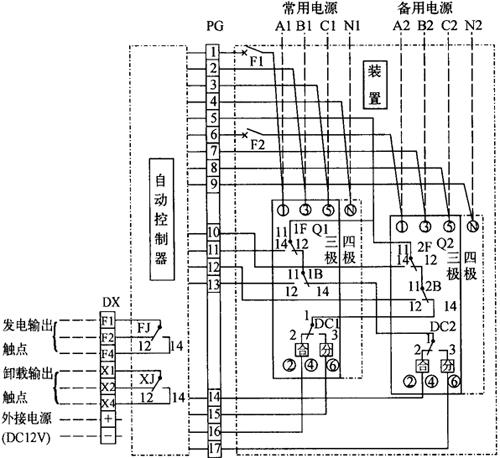
5.CB级自动转换开关的接线图

(1)自投自复或自投不自复系统接线图见图1-141。

图1-141 自投自复或自投不自复系统接线图

符号说明:Q1、Q2 常用断路器、备用断路器 F1、F2 DZ47小型断路器

1F、2F 断路器的辅助触头 1B、1B 断路器的报警触头

DC1、DC2 电动操作机构 PG 高压同步连接器

注:1.仅虚线由用户连接,其余接线已由制造厂接好,供用户参考。

2.对三极断路,N1及N2中性线必须接入装置底板上的N线的接线柱上。

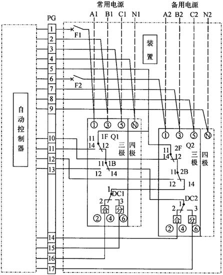
(2)电网-发电系统接线图见图1-142。

图1-142 电网-发电系统接线图

符号说明:Q1、Q2 常用断路器、备用断路器 F1、F2 DZ47小型断路器

1F、2F 断路器的辅助触头 1B、1B 断路器的报警触头

DC1、DC2 电动操作机构 PG 高压同步连接器

注:1.仅虚线由用户连接,其余接线已由制造厂接好,供用户参考。

2.对三极断路,N1及N2中性线必须接入装置底板上的N线的接线柱上。

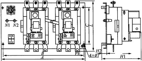
6.CB级转换开关的外形及安装尺寸

(1)分体式装置外形及安装尺寸见图1-143和表1-176。

图1-143 装置外形及安装尺寸

表1-176 CB级转换开关装置规格及安装尺寸/mm

(2)分体式自动控制器外形及安装尺寸见图1-144。

图1-144 分体式自动控制器外形及安装尺寸

(3)一体式自动切换装置的外形及安装尺寸见图1-145和表1-177

图1-145 一体式自动切换装置的外形及安装尺寸

表1-177 一体式自动切换装置的规格及安装尺寸/mm

随便看

 

离鸟网收录3541549条中英文词条,其功能与新华字典、现代汉语词典、牛津高阶英汉词典等各类中英文词典类似,基本涵盖了全部常用中英文字词句的读音、释义及用法,是语言学习和写作的有利工具。

 

Copyright © 2004-2024 vtrois.com All Rights Reserved
更新时间:2026/4/20 9:09:36